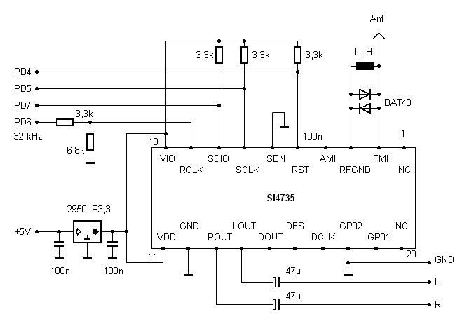
22.12.2009 /SEN-Eingang des SI4735

Mit dem SI4735 habe ich schon bei Elektor und bei Modul-Bus gearbeitet.
Aber irgendein Wurm war da noch drin. Auch im TV-Studio bei Wolfgang
Rudolph hat es etwas geklemmt. Es kam immer wieder zu sporadischen
Abstürzen der Software. Irgendwie hat mich das genervt. Aber jetzt
endlich ist durch einen freundlichen Hinweis von Roman Horenovsky das
eigentliche Problem ans Licht gekommen! Wie so oft: Ein offener
Eingang! Die Leitung /SEN (Pin 6) gehört an Masse!!! Das tut mir
leid, Leute, wenn ich damit Stress verbreitet habe. Das Datenblatt habe
ich bestimmt zehnmal gelesen, aber dieser Punkt ist mir nicht ins Auge
gesprungen.

(SI4735 am ATM18 Korrektur: Pin 6 (SEN) an GND)
Hello,
thanks for nice products especially for the PC-Radio SI4735.
However I have had recently a lot of trouble and spent a lot of time
with interfacing the Radio module. The modules I had tried behaved
unpredictably (two of four modules) or not completely stable (all of
them!) while I was doing continuous reading of the RDS data. There were
random communication errors on reading the RDS data and many more
errors while I put my hand closer (without touching of course) to the
circuit board.
After many hours of changing my code I've discovered, that the problem may be in the very design of the board.
It appears to me, that the SEN pin of the SI4735 is the culprit. The
SEN pin is not used in the I2C communication and it is unconnected in
the current design. However it seems that there is no pull-up resistor
of any sense in the chip itself and the pin is changing its logical
value in an uncontrollable manner. The SI4735 chip is using the SEN pin
to change its I2C address. This could easily cause the communication
issues if the SI4735 was listening on a wrong address!
I've tried to confirm this idea by grounding the SEN pin. I have to say
since then I haven't had a single issue with any of the four modules I
have tried!
Can you have a deeper look at the issue as I'm not a hardware engineer?
I would appreciate if you could let me know what you have found about the issue.
Best regards,
Roman Horenovsky
Ich habe es getestet: Pin 6 (/SEN) an Masse gelegt, und alle Probleme sind gelöst!