Bauteile
aus dem ScannerHome Labor Röhren HF Logbuch Bastelecke


Im Gerät herrscht eine gähnende Leere. Die aufwendige Optik aus früheren Geräten entfällt, weil die CCD-Zeile jetzt über die ganze Breite reicht. Sie besteht aus mehreren extrem schmalen Streifen von insgesamt 22 cm Länge und ca. 0,5 mm Breite, der alle paar Zentimeter kontaktiert ist. Der Chip ist mit einer weichen Kunststoffhülle umgossen, die offenbar auch optisch brauchbare Eigenschaften hat. Eine dünne Leiste mit vielen kleinen zylindrischen Linsen fokussiert das Bild.

Die Suche nach der Beleuchtung fördere eine superhelle Dreifarben-LED mit integriertem Kühlblech zu Tage. Ich habe sie bis 50 mA bei großer Helligkeit getestet. Die Belegung von rechts nach links ist: Gemeinsame Anode, blau, grün, rot. Ein langer Lichtleiter mit einer besonderen Riffelstruktur sorgt für die gleichmäßige Ausleuchtung. Offensichtlich werden die drei LEDs in schneller Folge nacheinander eingeschaltet. Das kann man sehen, wenn man einen moderen Scanner bei der Arbeit beobachtet. Die CCD-Zeile ist dann vermutlich ein Schwarzweiß-Typ.

Und was ist sonst noch drin? Außer Antriebseinheit mit Schrittmotor und Getriebe gibt es eine kleine Platine mit zahlreichen interessanten Bauteilen: Gabellichtschranke, 6-MHz-Quarz (für DRM-Empfänger), eine USB-Buchse, ein Schaltregler MC34063 mit passender Speicherdrossel und Shottkydiode, ein 5-V-Regler 78L05 und viele kleine SMD-Bauteile, darunter ein EEPROM 24LC16.

Ohne Schrott im Haus
kommt der Erfinder nicht aus.
(Dietrich Drahtlos)
Und was macht man jetzt damit? Erst mal eine Lampe bauen. Da sind ja auch noch zwei Platinchen mit Tastschaltern im Gerät. So lassen sich die einzelnen Farben der LED einschalten und mischen.

Nachtrag von Benedikt: Der CIS-Sensor
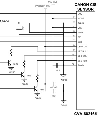
Der Sensor aus dem Scanner nennt sich CIS (Contact Image Sensor) da er mit dem zu scannenden Dokument fast in Berührung kommt. Die Ansteuerung eines solchen Sensors ist einfach: Abgesehen von der Betriebs- und eventuell einer Referenzspannung benötigt der Sensor nur 2 Takte. Bei jedem Tak am CP/CLK (Clock Pulse) Pin wird der nächste Pixel am Ausgang ausgegeben, bei einem Impuls an SP (Start Pulse) werden die Daten aus dem Bildsensor in das analoge Schieberegister geladen und wieder mit Pixel 1 begonnen. Die Dauer zwischen zwei SP Impulsen bestimmt die Belichtungszeit und somit die Empfindlichkeit des Sensors. Vor einem zweiten SP Impuls müssen alle Pixel ausgelesen werden, sonst vermischen sich die neuen mit den alten Daten aus dem Schieberegister.
Die zylinderförmigen Linsen heißen GRIN (Gradienten Index) Linsen. Die Bündelung des Lichtes geschieht durch einen unterschiedlichen Brechungsindex zwischen der Linsenmitte und außen. Für jede Zeile sind 3 Scanvorgänge notwendig: Je einer mit Rot/Grün/Blau. Daher sind diese Scanner langsamer und vor allem im Low-End Bereich angesiedelt. Der Sensor sieht aus wie ein CVA-60216K von Canon. Falls ich richtig geraten habe, dann sollte diese Anschlussbelegung passen:
