Funkenfreier Funkensender

Home   Labor   Röhren   HF   Logbuch   Bastelecke




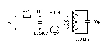
Die Zeit der Funkensender ist lange vorbei. Aber es ist immer noch interessant, wie das damals funktioniert hat. Kurz gesagt, Ein Funkenüberschlag hat einen Schwingkreis zu freien Schwingungen angeregt. Aber das geht auch ohne Funken. Es kommt nur darauf, an, einen plötzlichen Spannungsanstieg zu erzeugen. Rudolf Burse hat in der CQ-DL einen Versuch zu einem "historischen Generator für Testzwecke" vorgeschlagen, wobei eine Diode oder ein Transistor als schaltendes Element eingesetzt wird. Ich verwende hier einen NPN-Transistor als Kippgenerator, der periodische mit 800 Hz einen Kondensator entlädt. Damit wird ein Mittelwellenschwingkreis auf ca. 800 kHz angeregt. Mit einem Mittelwellenradio kann dann in direkter Nähe ein Ton empfangen werden.



Manch ein Prototyp steht,
der nicht in Serie geht.

(Dietrich Drahtlos)

Das digitale Oszilloskop zeigt das Sägezahnsignal am Ladekondensator:



Die entstehenden Schwingungen am Schwingkreis kann man leichter mit einem analogen Oszilloskop messen. Man sieht Schwingungspakete im Abstand 1,2 ms.



In einem anderen Zeitmaßstab sieht man, wie die Schwingungen exponentiell abklingen.



Der Versuch zeigt die Güte des verwendeten Schwingkreises. Man muss nur die Anzahl der Schwingungen abzählen, bis die Amplitude auf 1 / e  (= 37 %) abgesunken ist. Hier sind es ca. 80 Schwingungen. Mit Q = 80 und f = 800 kHz kann man auch die Bandbreite mit 10 kHz bestimmen. Das macht auch Sinn, denn der Ferritstab stammt aus einem alten Mittelwellenradio, wozu ungefähr diese Bandbreite benötigt wurde.  



Um den ersten Einschwingvorgang genauer zu beobachten ist ein digitales Scope besser geeignet. Ein erster kräftiger Impuls liefert die Energie für die entstehenden Schwingungen.



Das Spektrum des entstehenden Signals zeigt die genaue Resonanzfrequenz (825 kHz)  und die Bandbreite des Signal. Hier bestätigt sich die Bandbreite von 10 kHz. Der kleine Film zeigt, dass man damit tatsächlich morsen konnte.
Ein regelrechter Funkverkehr auf dieser Frequenz ist aber weder möglich noch erlaubt. 


www.youtube.com/user/bkelektronik





Home   Labor   Röhren   HF   Logbuch   Bastelecke