Der
LED-SpannungswandlerHome Labor Röhren HF Logbuch Bastelecke
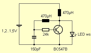
Eine rote LED braucht 1,5 bis 2 V, eine blaue oder weiße sogar 3 bis 4 V. Meist nimmt man drei Batteriezellen mit zusammen 4,5 V. Die überschüssige Spannung wird in einem Vorwiderstand vernichtet. Wie schön wäre es doch, mit 1,5 V auszukommen. Da könnte man manch eine Mini-Taschenlampe bauen. Also muss ein Spannungswandler her.

Das entscheidende Teil ist eine kleine Spule (Festinduktivität) mit 1,5 Millihenry. Das Bauteil sieht aus wie ein Widerstand. Die Farbringe stehen für 1500 µH. Unter dem Schutzlack befindet sich ein kleiner Ferritkern und eine Drahtspule. Im Prinzip kann man sich eine passende Spule auch selbst herstellen. Etwa 200 Windungen auf einem Ferritstab reichen aus.

Die Schaltung zeigt einen einfachen Rechteckgenerator (Multivibrator). Der Strom durch die Spule wird schnell ein- und ausgeschaltet. Die Spule arbeitet dabei als magnetischer Energiespeicher. Bei jedem Ausschalten entsteht eine Induktionsspannung, die sich zur Batteriespannung addiert. Die Höhe der Spannung richtet sich nach dem angeschlossenen Verbraucher. Sie passt sich selbst an, so dass z.B. eine weiße LED mehr Spannung erhält als eine rote. Meist haben Spannungswandler noch einen Gleichrichter und einen Siebelko. Hier kann man darauf verzichten, denn die LED ist ihr eigener Gleichrichter. Durch sie fließt also pulsierender Gleichstrom. Er ist im Mittel etwas kleiner als der Batteriestrom, weil die Spannung höher ist. Insgesamt hat die Schaltung einen viel besseren Wirkungsgrad als die normale Lösung ohne Spannungswandler, aber mit Vorwiderstand. Trotzdem kann man den Spannungswandler sehr klein bauen, z.B. direkt auf ein Batteriekästchen.

Die Batteriespannung darf bis unter 0,7 V abfallen, die LED leuchtet trotzdem lustig weiter. Bei 1,5 V wird nur etwa 24 mA aus der Batterie aufgenommen. Je leerer die Batterie wird, desto geringer wird der Strom. Gleichzeitig steigt die Frequenz an. Zwar ist dann die LED nicht mehr so hell. Aber diese Schaltung hilft, auch noch den letzten Rest Saft aus der ältesten Batterie zu saugen.
|
Batteriespannung |
Batteriestrom |
Wandlerfrequenz |
|
1,5 V |
24 mA |
3,5 kHz |
|
1,2 V |
15 mA |
4,7 kHz |
|
1,0 V |
8 mA |
7,8 kHz |
|
0,8 V |
2 mA |
12,7 kHz |
|
0,7 V |
0.5 mA |
19,8 kHz |
Vorsicht beim Einbau der Leuchtdiode: Wenn man sie falsch herum polt, treten Sperrspannungen bis etwa 60 V auf und zerstören die Diode. Eine weiße LED fiel der hohen Spannung bereits zum Opfer.
Es scheint oft perfekt,
was seinen Fehler versteckt.
(Dietrich Drahtlos)
LED-Spannungswandler mit nur einem Transistor
Der ewige Blinker mit Lichtsteuerung
Der NPN-Kipposzillator, siehe auch http://www.youtube.com/watch?v=s0zs9rZ_P3k
Der Gegentaktblinker
Der leuchtende Transistor, siehe auch http://www.youtube.com/watch?v=gZlazzoP5YA

Kleine LED-Lampen eignen sich auch für dekorative Zwecke oder als Solarbeleuchtungen. Es gibt zahlreiche Schaltungsvarianten, manche mit nur einem Transistor. Zur Phasendrehung dient dann entweder ein kleiner Trafo (vgl. White LED DC/DC Booster) oder ein LC-Kreis. Energiesparen geht aber auch ohne Batterie, wie beim gedimmten LED-Schlauch, der für eine dezente Treppenbeleuchtung eingesetzt wurde. Solche LED-Anwendungen setzen sich immer mehr durch, seit der Wirkungsgrad enorm gesteigert werden konnte.
Jürgen Heisig schickte mit folgende Verbesserungsvorschläge:
"Ziel war es, mit nur einer NiCd-Zelle (AAA, 250mAh) eine der neuen ultrahellen LEDs mit 5600mCd zu betreiben. Diese LEDs benötigen 3,6V/20mA. Ich habe Ihre Schaltung zunächst unverändert übernommen, als Induktivität hatte ich allerdings nur eine mit 1,4mH zur Hand. Die Schaltung lief auf Anhieb! Allerdings ließ die Leuchtstärke doch noch zu wünschen übrig. Mehr zufällig stellte ich fest, dass die LED extrem heller wurde, wenn ich ein Spannungsmessgerät parallel zur LED schaltete!??? Tatsächlich waren es nur die Messschnüre, bzw. deren Kapazität, die den Effekt bewirkten. Mit einem Oszilloskop konnte ich dann feststellen, dass in dem Moment die Frequenz stark anstieg. Hm, also habe ich den 100nF-Kondensator gegen einen 4,7nF Typ ausgetauscht und schon war die Helligkeit wie gewünscht. Anschließend habe ich dann nur noch durch Ausprobieren die beste Spule aus meiner Sammlung gesucht... Das beste Ergebnis hatte ich mit einem alten Sperrkreis für den 19KHz Pilotton (UKW), aus dem ich die Kreiskapazität entfernt habe. Und hier ist sie nun, die Mini-Taschenlampe:

Das Feuerzeug dient nur zum Größenvergleich, das Gehäuse der Taschenlampe ist ein alter Transportbehälter für EPROMs ;-)
Und so sieht sie von innen aus :

Und leuchten kann sie natürlich auch und zwar nicht zu knapp (der
direkte Blick in die LED ist nicht zu empfehlen!)"
Benedikt Gerlich fragte: Gibt es eine Formel, mit der ich herausfinden kann was ich für eine Spule/Kondensator brauche wenn meine LED soundso viel Spannung und soundso viel Stromstärke braucht?
Also gut, dazu zuerst etwas Theorie:
Die Schaltung beruht darauf, dass die Spule in ihrem magnetischen Feld
Energie speichert und wieder abgibt. Man bezeichnet sie auch als Speicherdrossel.
Damit man etwas berechnen kann, muss man zuerst etwas vereinfachen. Die
Schaltung wird hier als idealer Schalter betrachtet, der mit einer konstanten
Frequenz und mit einer Einschaltdauer von 50% ein und aus schaltet. Die
Spule liegt im An-Zustand direkt an der Betriebsspannung von 1,5 V. Dabei
steigt der Strom durch die Spule linear an:
I= t Ub/L.
Energie wird im magnetischen Feld der Spule gespeichert. Die gleiche Energie wird beim Ausschalten an die LED abgegeben. Der Spule ist es egal, ob sie ihre Energie bei großer Spannung schnell oder bei kleinerer Spannung langsamer los wird. Das hängt ganz von der angeschlossenen Last ab. Die LED begrenzt die Ausgangsspannung auf Uo = 3,6 V. Die Induktionsspannung an der Spule beträgt also 3,6 V - 1,5 V = 2,1 V. Im Mittel soll die Leistung 2,1 V x 20 mA = 42 mW abgegeben werden. Die selbe Leistung muss also in den Ladephasen aufgenommen werden. Der mittlere Strom beträgt dabei 42 mW / 1,5 V = 28 mA. Tatsächlich aber ist der Spitzenstrom Is vier mal so groß, denn nur in der halben Zeit wird die Spule "aufgeladen", und in dieser Zeit ist der Spitzenstrom doppelt so groß wie der mittlere Strom. Also ist Is = 112 mA. Um diesen Strom erreichen zu können muss die Einschaltzeit t = Is L / Ub betragen. Daraus ergibt sich die Frequenz f = 1/t = Ub (Is L).
Jetzt könnte man alles zusammenfassen und eine Formel daraus machen:
f = Ub² / (4 (Uo-Ub) Io L)
Daraus folgt, dass es im Prinzip mit jeder Spule geht, wenn nur die Frequenz passt. Für L = 1,5 mH ist bei den gegebenen Bedingungen f = 9 kHz. Die Frequenz der Oszillatorschaltung hängt vom Kondensator ab und ist hier ganz ungefähr f= 1 / (R C) mit R = 10 k. Also gilt C = 1 / (R f) = 1 / (10 k x 9 kHz) = 10 nF. Also war der Kondensator in der ursprünglichen Schaltung tatsächlich zu groß.
Soweit die Theorie. Aber die Praxis hält noch einige Tücken bereit. Die Spule hat noch mehr Daten als nur ihre Induktivität. Sie hat auch einen Gleichstromwiderstand, der für Verluste sorgt. Wenn der Widerstand so groß wird, dass er den Spitzenstrom beeinflusst, ist die ganze Rechnung falsch. Und dann hat die Spule auch noch eine magnetische Sättigung, also einen maximal erlaubten Strom. Eine sehr kleine Spule kann also gar nicht genügend Energie speichern. Man müsste eine möglichst große Spule mit dickem Draht verwenden. Aber besser ist es natürlich die kleinste Spule zu nehmen, die gerade noch gut funktioniert.
Ein andere Grenze ergibt sich aus den Fähigkeiten des Transistors, die Spule bis zum Erreichen des Spitzenstroms voll an die Betriebsspannung zu legen. Die Kolleltor-Emitter-Restspannung sollte dabei möglichst klein sein. Bei 112 mA kommen allerdings Zweifel auf, ob der Transistor das schaffen kann. Der Basiswiderstand von 10 k ist erheblich zu groß. Das führt praktisch dazu, dass die Ladephase eher abgebrochen wird. Die Frequenz wird also in der ursprünglichen Schaltung nicht allein vom Kondensator bestimmt. Wenn man die Schaltung für eine größere Leistung optimieren will, sollte man alle Widerstände im gleichen Verhältnis verkleinern.
Es gibt übrigens einen großen Unterschied zwischen der Arbeit eines Ingenieurs und der eines Bastlers. Wenn der Ingenieur ein Gerät plant, rechnet er alles aus und sucht dann die passenden Bauteile. Vielleicht gibt es die passende Spule nicht aus der Serienproduktion. Dann ruft er bei Siemens an und erteilt einen Auftrag. 1,5 mH, 0,1 Ohm, Imax = 300 mA, Länge kleiner 5 mm, kein Problem, wie viele 1000 Stück brauchen Sie? Der Bastler dagegen muss immer von den Bauteilen ausgehen die er gerade hat oder billig besorgen bzw. ausbauen kann. Und daraus muss er dann das Beste machen. Das erfordert Kompromisse. Meist wird gar nicht gerechnet sondern gleich probiert. Mit der Zeit bekommt man ein Gefühl für die richtige Dimensionierung. Und man sollte ungefähr wissen, in welche Richtung man welche Werte verändern kann um welche Wirkung zu erzielen. Oft geht man von einer vorgegebenen Schaltung aus und versucht sie durch vorsichtiges Ändern von Bauteilen für die eigenen Zwecke anzupassen. Der Weg ist ein anderer, aber das Ergebnis muss nicht schlechter sein als das des Ingenieurs.
Nachtrag zum Nachtrag: Hersteller für passive Bauelemente
Frank-Andreas Schmidt (SIEMENS AG, ZN Siegen) schrieb:
Die Firma SIEMENS AG liefert leider keine aktiven und passiven Bauelemente mehr. Man möge sich bezgl. der kundenspezifischen Induktivitäten an unsere Tochterfirma EPCOS wenden. Aktive (Halbleiter-) Bauteile liefert INFINEON. Aber das mit den Stückzahlen könnte schon eine Rolle spielen....;)
Noch ein Wort zu meinem Nachbauversuch: Meine Spule ist 200 Windungen CuLackdraht auf einem kleinen Kunststoffspulenkörper mit Ferritkern. Gemessen etwa 0,5 mH. Kondensator 47 nF. Habe noch nicht nachgerechnet ob die Werte sinnvoll sind. Man nimmt halt was man kriegen kann.... Funktioniert trotzdem prima !
Nachtrag: SMD-Aufbau und ein Versuch mit Germanium-Transistoren
Dirk Beilker schrieb:
... mit Ihrer Bastelanleitung hatte ich gestern Abend viel Spaß! Ich habe mit SMD-Bauteilen die bei mir so herumlagen (1mH-Drossel, blaue TOPLED, BC847-Transistor-2fach-Array) den LED-Spannungswandler nachgebaut und er lief direkt einwandfrei. Die ganze Schaltung passt in einen Fingerhut.

Besonders Ihr Satz "...diese Schaltung hilft, auch noch den letzten Rest Saft aus der ältesten Batterie zu saugen..." hatte es mir angetan. Jedoch wollte ich nicht glauben , dass bei 0,7V Batteriespannung schon das Ende der Fahnenstange erreicht ist. Ein weiterer Aufbau mit Germanium-Transistoren (AC127) bestätigte meine Vermutung: Mit diesen Transistoren leuchtet die LED auch noch bei 0,3V. Das brachte mich wiederum auf die Idee die Schaltung an einer Zitronen-Batterie (Kupfer- und Alu-Stab in Zitrone stecken) zu betreiben, doch es klappte nicht auf Anhieb. Dann wurde ich leider müde und ging zu Bett....In der Nacht träumte ich von einer Zitronen-Taschenlampe.
Nachtrag: LED-Powerlampe von Elektor
Das zweite Elektor-Miniprojekt 6/2002 basiert auf dem Spannungswandler aus
der Bastelecke. Für das Projekt gibt es eine eigene Platine, deren
Layout im Internet geladen werden kann.
Viele haben die Schaltung nachgebaut. Manchmal war die Helligkeit zu gering. Dazu folgender Tipp: Den größten Einfluss hat die Spule. Wenn sie zu klein ist und zu viel Widerstand hat, wird der Diodenstrom zu kleinl. In dem Fall sollte man es mit einer anderen Drossel mit dickerem Draht versuchen.
Herr Krüger hatte Erfolg mit einer etwas anderen Dimensionierung. Er verwendet einen kräftigeren BC337 in der zweiten Stufe und einen größeren Steuerstrom. Das Ergebnis: die Lichtausbeute mit einer 3000mcd LED kann sich durchaus mit gekauften Taschenlampen messen. Die Spitzenstromaufnahme der Schaltung liegt bei ca. 45mA, im Mittel sind es ca. 30mA. Nutzt man Spulen zwischen 0,82mH und 1,5mH, braucht die Dimensionierung nicht angepasst werden. Die Schaltung arbeitet mit etwas über 7kHz.

Tomas Schröter schreibt: Nach etlichem Experimentieren habe ich einiges über eine optimale Induktivität herausgefunden. Sie haben natürlich recht, dass prinzipiell jede Spule geht, solange die Frequenz stimmt. Allerdings stellen sich bei mir eigentlich immer die besten (hellsten) Ergebnisse mit Spulen um 10uH ein. Entscheidend für die Leistung an der LED ist der Strom der durch die Spule fließt, also sollte die Induktivität einen möglichst großen Strom haben? Ein bisschen Nachlesen im Internet fördert auch etliche Spulen zu tage die mit bis zu 1A arbeiten können. (vgl. EPCOS & NEOSID = gibts bei Conrad, WÜRTH, Murata, Coilcraft, etc.). Damit der Strom fließen kann, sollte der Treiber-Transistor auch entsprechend dimensioniert sein. Am besten ein Low-Gain, Low Saturation, Hi Ic und Hi hfe. Ein 1207 geht prima. Dann sollte allerdings R2 deutlich kleiner werden. (Werte um 300 Ohm haben sich bei mir bewährt!) Damit können dann auch 2 LEDs in Serie betreiben werden. Hier ein Bild des Geräts:

Nachtrag: Der Aufbau von Fabian Lührs
Man beachte die größere Bauform der Drossel, die einen geringen Gleichstromwiderstand und eine gute Effizienz erwarten lässt.

Nachtrag: Spritzen-Gehäuse
Markus Huber hat diese Lampen in 10ml-Spritzen eingebaut: "Abschneiden, aufbohren, fertig. Hinter der Mignon ist ein kleiner Taster, darüber der Dichtgummi der Spritze. Leider muss der dünne Kupferlackdraht zum Taster (+) an der Batterie mit Tesafilm fixiert werden, damit der Anschluss beim Reinschieben nicht wieder abgerissen wird."

Nachtrag: LED-Spannnungswandler im Autoschlüssel
Steffen Nickl schrieb: "Ich habe ihn mir in meinen Autoschlüssel eingebaut, da die normalen Glühbirnen immer kaputt oder die Batterie leer war.Die Schaltung wurde in SMD-Technik aufgebaut und anschließend mit StabilitExpress fixiert, damit im täglichen Einsatz der „fliegende“ Aufbau und die kleinen Lötstellen nicht beschädigt werden. Sie hat auf Anhieb einwandfrei funktioniert, und tut dies wohl noch lange."

Nachtrag: Sicherheit und geeignete Spulen
Zwei Anmerkungen von Wolfram Herzog:
1. Sie sollten einen Hinweis geben, daß man in die hellen LED's nicht hineinschauen sollte wegen der Gefahr von Netzhautverbrennung (Ich weiß das ist eigentlich Allgemeingut, aber es gibt doch viele "unwissende" auf diesem Planeten) Wenn man die Schaltung optimiert ist man aber immer wieder versucht, in die LED zu gucken...
2. Zu den Spulen für die LED Lampe: Ich habe da eine ganze Menge
ausprobiert - vom ausgeschlachteten UKW-Filter über kleine Induktivitäten
aus dem Videorecorder bis zum Reed-Relais. Es geht da eine ganze Menge
- insbesondere die Reed-Relaisspulen geben eine sehr helle LED. Man kann
hier also nur empfehlen, mal fleißig mit den verschiedensten Induktivitäten
zu experimentieren.
LED-Beleuchtung mit Schaltregler für den Gameboy: www.harald-sattler.de/html/beleuchtung_fur_den_gba.htm
Die kleine Schaltung mit SMD-Bauteilen konnte ich jetzt aufbauen, da Harald mir netterweise die Bauteile und eine kleine Platine geschickt hat. Der Schaltregler ist ein ZXSC300 von ZETEX. Zusätzlich befindet sich noch ein Transistor, eine Spule und ein Widerstand auf der Platine. Über den Widerstand kann der LED-Strom eingestellt werden. Da ich nur einen SMD-Widerstand mit 1 Ohm finden konnte (im Elektronikschrott, wo sonst ...), wird der Regler derzeit stromsparend mit ca. 5 mA betreiben. Zur Versorgung reicht eine Zelle mit 0,8 ... 1,5 V.

Nachtrag von Rene Simon: Minischaltung mit dem LT1932
... habe ich nach Jahren auch mal wieder zum Lötkolben gegriffen. Herausgekommen ist dabei ein Umbau einer MAG-lite auf LED. Dazu habe ich einen LT1932 verwendet. Einziges Problem elektrischer Art ist wohl, dass die Batterien gnadenlos leergesaugt werden, was den Einsatz von Akkus nicht ratsam macht Die Schaltung ist aus dem Datenblatt entnommen. (Seite 10, ohne 24,9K Widerstand, Rset = 750 Ohm für 30mA).

Nachtrag von Oliver Nix: Verwendung von SMD-Transistoren BC818-40
Der LED Spannungswandler hat es mir wirklich angetan, deshalb habe ich ihn bis jetzt 3 Mal in verschiedenen Ausführungen nachgebaut. Besonders viel Spaß hatte ich beim Bau des Typs, bei dem die SMD-Bauteile direkt auf der Oberfläche der 680µH Spule (Fastron) angebracht sind. Die verwendeten Transistoren sind 2xBC818-40, der Kondensator ist ein 1,0nF Typ. Dieser Wandler schwingt auf ca. 17,73 kHz bei 1,50 V und zieht dabei 34,3 mA Strom. Die erzielte Helligkeit ist gut.

Nachtrag von Gerhard Stampfl: Miniatur-LED-Lampen
"Wie viele andere Leser Ihrer Homepage bin ich absolut fasziniert von Ihrem LED-Spannungswandler, kaum ein anderes Projekt in letzter Zeit hat meine Phantasie so angeregt. Vielleicht interessieren Sie ja auch meine Erfahrungen. Ich habe 9500 mcd LED´s verwendet, BC547 bzw. BC818 in der SMD-Variante. Allerdings ist meine Dimensionierung der Widerstände anders, in der von Ihnen verwendeten hat die Diode nur geglimmt. R1=1k2, R2=220R, C=2n2. In dieser Dimensionierung nimmt die Diode bei 1,5V 18,5mA, die gesamte Schaltung ca.35mA. An Spulen habe ich eine Menge ausprobiert, die besten Ergebnisse bringen die schwarzen oder gelben Teile aus Radios; einfach alles drumherum wegschneiden, dann hat man eine Prima Spule. Bild 2 war der Prototyp zum direkten Aufstecken auf einen 9V Block, erstaunlich wie lange eine eigentlich leere Batterie noch Saft für eine wirklich helle Diode bringt! Bild 1 zeigt ein ehemaliges Feuerzeug, auf etwas über Microzellenlänge gekürzt. Das Rädchen für die Gasregulierung wurde zum ein/aus Schalter umfunktioniert. Bild 3 schließlich mein Glanzstück, die "EDDING-Lampe". Das Röhrchen eines Markers schreit danach zwei Mignonzellen reinzustecken, passt absolut perfekt! Da der Schalter (so einer wie in Bild 2) fast den ganzen Stiftkopf ausfüllt, war ich gezwungen den Wandler so klein zu machen, dass er mit der Diode in die Stiftspitze paßt. Eine Elendsfummelei! Das Alugehäuse entlackt und poliert, so sieht er doch ganz edel aus ;) "

Nachtrag: Spannungswandler mit dem PR4401
Dieses neue IC der Firma Prema benötigt nur eine externe Spule.
Erste Versuche werden in Elexs vorgestellt:
www.elexs.de/led4.htm

Mit dieser Bauform kann man den kleinsten LED-Spannungswandler aufbauen,
denn außer einer SMD-Festinduktivität und dem dreibeinigen IC
braucht man nichts mehr. Der Wandler versteckt sich praktisch zwischen
den Anschlüssen der LED. Weitere Aufbauvorschläge und eine Bezugsquelle
für das IC findet man hier:
www.elexs.de/led5.htm

Drahtrolle als Speicherdrossel, von Friedrich Lischeck

Jetzt habe ich den LED-Spannungswandler nachgebaut. In Ermangelung einer passenden Induktivität habe ich einfach eine Rolle Schaltlitze genommen, was, wen wundert’s, ebenfalls funktioniert. Die Kapazität war dabei 1 nF, die Frequenz lag bei etwa 63 kHz.
LED-Blitzlicht, von Franz Bachler

Ich habe die folgende Schaltung gefunden: http://blackstrom.derschwarz.de/schaltungen/blinkled230/index.shtml Da kam mir die Idee, die Spannungspitzen der Spule mittels einer Diode in einen Elko zu leiten. Bereits eine 1,5-Volt-Batterie schaffte ca. 20 Volt. Womit die nötige Durchbruchspannung des DIAC schon mit 2 Zellen zu erreichen ist. Natürlich muss ein BC337 her, der BC548 würde schon früher als der DIAC durchbrechen. Je höher die Batteriespannung desto schneller blinkt die LED.

Der "Vampir" bei mir in Kleinserienproduktion gegangen: ich brauche 30
Exemplare zur Lampionbeleuchtung bei meiner Hochzeit :) Die
Dimensionierung R1=220, R2= 6800, R3=2700 und zwei 337-40ern sowie eine
100mH Drossel und einem 33 pF Kondensator. Ob das optimal ist weiß ich
nicht, aber die 9500mcd Dioden sind gut hell, wie eine einfache
Taschenlampe. Und funktionieren mind. 24 h am Stück. Die Feier kann also
etwas länger dauern :)


Der 1-W-Spannungswandler von Martin Pohl

Umfassende Beschreibung: www.elektronik-labor.de/Notizen/LEDwandler1W.html
Man spendiere
einen Widerstand von der LED Kathode zur Masse, bei dem bei 350mA ca.
0,7V Spannungsabfall auftreten. So wird ein Transistor leitfähig und
man kann den Strom damit regeln. Die Transistoren habe ich deswegen genommen, weil sie da waren. Statt
der 2N3904 tut es ein BC548 sicher auch.Der Wirkungsgrad des Treibers
pendelt sich dabei bei ca. 65-70% ein.
LED-Spannungswandler treibt Glimmlampe

Der LED-Spannungswandler passt sich ja
bekanntlich selbst an die benötigte Spannung an. Reicht es auch für
eine Glimmlampe? Nicht ganz, ich musste erst noch eine
Spannungs-Kaskade mit drei Dioden und drei Kondensatoren mit 47 nF/100
V nachschalten, um die Spannung zu verdoppeln. Die Platine stammt
übrigens aus dem Franzis-Paket "Löten lernen mit acht Elektronik-Projekten", bei dem einige Ideen aus der Bastelecke aufgegriffen wurden. Die fertige Platine gab Anregungen zu weiteren Versuchen.
Das Oszillogramm vom Mittelpunkt der
Kaskade zeigt, dass die Glimmlampe Kippschwingungen mit etwa 25 Hz
erzeugt und dass die Zündspannung bei etwa 75 V liegt.

Das Licht der Glimmlampe ist zwar nicht gerade hell, aber es sieht vor allem in der Dämmerung sehr schön aus. Das musste mal probiert werden!
LED Spannungswandler an Zitronenbatterie von Franz Bachler

Hier geht es um die gleiche Schaltung in
der Dimensionierung mit dem 1,5 nF Kondensator. Die Drossel hat 2,2 mH.
Die Batterie besteht aus einer Zitrone, einer Zinkplatte und einer
25-Schilling-Silbermünze. Mitte unten die Diode ist zur Messung der
Spannung im Leerlauf. Der Schalter trennt dann die Last. Eine neue 1,5
V Alkali-Mangan-Zelle ergibt ca.16 V hinter der Diode.
Die Batterie besteht in einer anderen
Variante aus einer Zinkplatte, einem Wattepad mit Zitronensäurelösung
und einer 25-Schilling-Silbermünze. Ohne Druck leuchtet die LED nur
schwach, mit Druck deutlich.

