Das
Pentoden-Audion Home Labor Röhren HF Logbuch Bastelecke
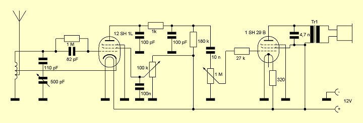
Die russische Röhre 12SH1L hat es mir angetan. Heizung nur 12V/75mA, dazu tauglich für kleine Anodenspannung. Es ist eine indirekt beheizte Pentode, geradezu ideal für ein Audion mit einstellbarer Rückkopplung. Die Röhre befindet sich normalerweise in einer Metallabschirmung, die allerdings aus Gründen der Optik entfernt wurde. Röhren müssen aus Glas sein!

Die 12SH1L hat einen Loctal-Sockel, eine Fassung dafür liegt nicht gerade überall herum. Aber man kann die 1,3-mm-Stifte einfach mit Kontakten aus PC-Steckern verbinden. Das Chassis ist einfach eine Pappschachtel. Die Röhre sticht sich selbst die passenden Löcher für eine brauchbare Fassung. Von unten werden dann die Kontakte einzeln aufgeschoben.

Das Audion wurde für Kurzwelle ausgelegt. Über eine Anzapfung der Spule wird die Rückkopplung realisiert. Die Schirmgitterspannung wird über den Rückkopplungsregler eingestellt. So verändert man die Steilheit der Röhre und damit den Rückkopplungs-Einsatz. Im Anodenkreis liegt ein Übertrager zum Anschluss eines Kopfhörers. Ich war selbst völlig überrascht, dass eine einzelne Pentode ausreicht. Das Ergebnis kann sich jedenfalls hören lassen. Mit ausreichender Lautstärke und gutem Klang konnten gleich am ersten Abend zahlreiche Sender von Dänemark bis zum fernen Taiwan, vom nahen Osten bis Kanada empfangen werden. Die Antenne war das Kupferrohr der Heizung. Die Spule zeigt bei schwacher Kopplung eine große Güte, weil das Gitter extrem hochohmig ist. Bei insgesamt 20 Windungen liegt die Antenne an einer Anzapfung bei der 2. Windung, die Rückkopplungs-Anzapfung bei der 3. Windung. Die ganze Spule wurde mit CuL 1 mm auf eine Mignon-Batterie als Dorn gewickelt und dann als freitragende Luftspule auf den Drehko gesetzt.

Trotz der geringen Heizleistung zeigt die Röhre eine enorme Verstärkung. Eine Anodenspannung von 12 V reicht aus. Weil ein passender Laptop-Akku mit 18 V übrig war, wurde alles für diese Spannung ausgelegt. Ein Vorwiderstand reduziert die Spannung am Heizfaden. Das ganze ist wirklich Batterie-tauglich. Die Röhre wird nicht mal merklich warm. Man sieht auch kein Glühen der Kathode. Jedenfalls brauchen die EF80, EF89 und ähnliche Röhren wesentlich mehr Leistung. Ich verneige mich vor den russischen Ingenieuren, die diese Röhre gebaut haben!

In Russland wurden wesentlich länger Röhren eingesetzt als bei uns. Deshalb wurden sie auch wesentlich weiter entwickelt. Das Ganze ist wohl eine Folge des kalten Krieges. Die militärische Nutzung sieht man auch an den Schnell-Ausziehknöpfen auf der robusten Metallhülle. Wenn dann der kalte Krieg mal heiß geworden wäre, hätte der erste elektromagnetische Puls schon jede Menge westliche Transistoren zerstört, während die östlichen Röhren dagegen immun waren. Und während der russische Fernmelder bei Bedarf blitzschnell seine Röhren gewechselt hat, heizt sein amerikanischer Kollege noch den Lötkolben an, um seine Dual-Gate-MOSFETs auszutauschen. Nur gut, dass es nie so weit gekommen ist! Als friedenssichernde Maßnahme werden jetzt alle militärischen Röhren zu Audionempfängern verbastelt.
Alte Röhren
soll niemand zerstören.
(Dietrich Drahtlos)
Nachtrag: Nachbau der RV12P2000
Lutz (DK3WI) schreibt: Ich habe über das Wochenende (in leicht veränderter Form) aus der "Bastelecke" das Projekt Röhrenaudion mit der 12SH1L gebaut (funktioniert verblüffend gut). Eine kurze Anmerkung meinerseits. Bei der Röhre 12SH1L handelt es sich um einen Nachbau der deutschen "Spezialröhre" (Wehrmachtsröhre) RV12P2000. Diese erstmalig 1937 produzierte Röhre wurde wohl als einzige Röhre in unveränderter Form nach dem Krieg weiter produziert, sowohl in der BRD/DDR als auch in anderer Form in der Sowjetunion. Meine 12SH1L stammt aus dem Jahre 1976. In der SU wurde drei Varianten gefertigt - mit 4, 6 und 12 V Heizung. Anbei 2 Datenblätter, wo die Zusammenhänge sichtbar sind. Siehe auch: www.hts-homepage.de/Wehrmacht/Heer/WMRV12P2000.html
Datenblatt 12Z1L.pdf (100k)
Datenblatt rv12p2000.pdf (85k)

Dies ist die Schaltung von Lutz ( www.qsl.net/dk3wi/Roehrenaudion1.html ). Mit zwei Röhren geht es besser.
Nachtrag zum Nachtrag: The first audion which I really like
Aren van Waarde (Groningen, Niederlande) hat die erweiterte Schaltung von Lutz aufgebaut und ausführlich beschrieben. Er fasst seine Erfahrungen zusammen: Fehlen jeder Mikrofonie, geringe Abhängigkeit des Rückkopplungseinsatzes von der Frequenz, weicher Einsatz der Rückkopplung, genügend Lautstärke schon mit einer Stabantenne von einem Meter, guter Klang beim AM-Rundfunk und einfacher SSB-Empfang.
Warum denn in die Ferne schweifen, liegt das Gute doch so nah: Die EF80 liegt in jeder dritten Bastelkiste. Dazu passt als NF-Verstärker die ECL80, denn sie hat wie die EF80 einen Heizstrom von 300 mA. Beide Heizungen in Reihe brauchen 12V. Das ganze Radio läuft also mit 12 V, und es reicht sogar für einen kleinen Lautsprecher!



Hinweis: Das Pentodenaudion und andere Röhrenempfänger werden
hier genauer behandelt:
Röhren-Projekte von 6 bis 60 Volt
Siehe auch: Das DRM-Audion mit einer EL95
Nachtrag: Änderungen von Hagen Borrasch

Bin so vorgegeangen, wie von DF4NX beschrieben, also erst ohne Rückkopplung ein Generatorsignal induktiv auf die Spule gekoppelt und mit P1, P2 ,P3 auf Maximum am Ausgang geregelt. Der zunächst vorgenommene Abgleich nach Gehör war nicht sehr genau, das Ohr täuscht doch etwas, man sollte schon ein AC-Voltmeter benutzen. Danach habe ich die Rückkopplung in Betrieb genommen und festgestellt, daß sie sehr hart einsetzte. Eine leichte Korrektur mit P2 in Richtung weniger Spannung brachte die Sache dann in die richtige Bahn, die Rückkopplung setzt jetzt butterweich ein, der reinste Genuß ;-) Die Anordnung der Kreis- und Rückkopplungsspule habe ich ebenfalls nach DF4NX vorgenommen, auf die Antennenspule jedoch aus Faulheit vorerst verzichtet und stattdessen die Antenne an der 4. Wdg. über Masse angeschlossen. Meine Kreisspule besteht aus 18 Wdg. einfachem Klingeldraht auf ein Papprohr von 3,5 cm Durchmesser Wdg. an Wdg. gewickelt. Damit geht das Ding von 3 - 11.6 MHz. Ganz wichtig sind auch C14 - C17 und C20, C21 gewesen, hatte vorher ziemlichen Netzbrumm. Sicher liegt das aber auch an dem Drahtverhau, aus dem mein Versuchsaufbau besteht. Die Masseführung ist ja bei Audionschaltungen ebenfalls sehr wichtig und ein saubererer Aufbau dürfte hier sicher Abhife schaffen.