Der
Magnetschalter
Home Labor Röhren HF Logbuch Bastelecke
Wenn mal wieder ein PC-Lüfter kaputt geht, sollte man ihn nicht gleich wegwerfen, sondern erst mal reinschauen. Dieser hier enthielt nur ein IC (Aufdruck: 276 012F) mit vier Beinchen. Plus, Minus und zwei Ausgänge für die Motorspulen, mehr braucht man anscheinend nicht. Und das Besondere ist, die Ausgänge schalten je nach Polarität eines äußeren Magnetfelds um.

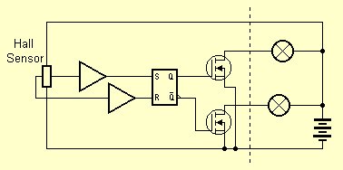
Die Versuche mit diesem Baustein legen folgendes Innenschaltbild nahe. Ein Hallsensor liefert ein Signal, wenn ein äußeres Magnetfeld herrscht. Ab einer gewisse Stärke wird ein RS-Flipflop getriggert und schaltet die Ausgänge um. Der bürstenlose Lüftermotor funktioniert also deshalb, weil das IC immer weiß, in welcher Stellung der Anker steht. Es wird dann jeweils die passende Spule eingeschaltet.

Damit kann man natürlich auch andere feine Sachen machen. Zum Beispiel kann man sich ein Magnetschloss bauen. Ein kleiner, starker Magnet dient als Schlüssel. Lampen, kleine Motoren und Relais kann das IC direkt steuern. Schließlich hat es ja auch die Spulen geschafft.

Es reicht z.B. ein Magnet aus einem kleinen Gleichstrommotor. Noch besser sind die sehr starken Magneten aus CD-Laufwerken. Sie lassen sich z.B. in einen normalen Schlüssel einbauen.

Bei der gezielten Lösungssuche
helfen auch kleinste Vorversuche.
(Dietrich Drahtlos)