Elektronik-Start, Messen und TestenJede mehr oder weniger komplexe Schaltung setzt sich aus Grundschaltungen zusammen, die auch in andren Zusammenhängen vorkommen. Wer die Grundschaltungen verstanden hat, kann daraus auch ganze andere Anwendungen entwickeln. Es lohnt sich also auch bei kleinen Schaltungen, einmal ganz genau hinzuschauen. Messungen, testweise Änderungen und weitere Experimente können helfen, die Grundschaltungen genau zu verstehen.
Alle drei ursprünglichen Schaltungen und die Kombischaltung haben einen
Vorwiderstand von 1 kΩ in Reihe
zur LED D1. Wie kam es genau zu diesem Widerstand? Kurz gesagt, er wurde über
den Daumen geschätzt, denn in einem sehr großen Bereich ist alles möglich. Je
kleiner der Widerstand, desto heller wird die LED, je größer der Widerstand,
desto länger hält die Batterie.
Eine übliche LED ist für einen maximalen Strom von 20 mA ausgelegt. Das heißt aber nicht, dass sie diesen Strom tatsächlich braucht. Eine moderne LED mit hoher Effizienz ist bei 20 mA schon blendend hell. Und schon ein Strom von 1 µA reicht aus, um sie bei Dunkelheit deutlich leuchten zu sehen.
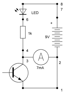
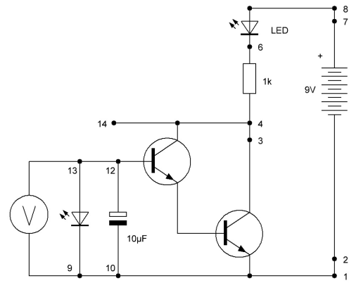
Um den Strom zu messen, sollte man K3 und K5 öffnen, dann ist der rechte Transistor außer Funktion, die LED ist aus. Nun kann man außen zwischen Anschluss 2 und 3 ein Amperemeter einfügen. Erst wenn das Messgerät angeschlossen ist, ist der Stromkreis geschlossen, und die LED leuchtet. In meinem Fall wurde ein Strom von 7,1 mA gemessen. Es war eine gelbe LED bestückt, und die Betriebsspannung wurde mit einem Labornetzteil auf 9,0 V eingestellt.

Stromstärkemessung

Spannungsmessung
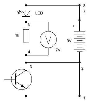
Statt der Strommessung kann auch eine Spannungsmessung durchgeführt werden. Mir sind Spannungsmessungen lieber, weil das Multimeter dann hochohmig ist und man keinen versehentlichen Kurzschluss bauen kann. Dazu setzt man eine Brücke zwischen 2 und 3. Zwischen 4 und 6 kann dann die Spannung am Vorwiderstand gemessen werden. Angezeigt wurden 7,04 V. Da der Widerstand mit 1 kΩ bekannt ist, kann der Strom berechnet werden:
Strom = Spannung / Widerstand
I = U / R
I = 7,04 V / 1000 Ω
I = 0,00704 A = 7,04 mA
Der Unterschied zwischen diesen 7,04 mA und den mit dem Amperemeter gemessenen 7,1 mA ist unbedeutend. Es könnte an der Toleranz des Widerstands von 5% (goldener Ring) liegen, wobei die Erfahrung zeigt, dass solche Widerstände mit dem goldenen Ring meist nur um ca. 1% abweichen. Tatsächlich liegt die Abweichung bei der Strommessung nur bei 0,85%. Dazu kommt, dass die Strommessung nur mit einer Nachkommastelle angegeben wurde, die Spannungsmessung aber mit zwei Stellen nach dem Komma.
Es gibt noch einen Grund, warum übertriebene Genauigkeit an dieser Stelle unnötig ist. Er liegt in den je nach Fabrikat unterschiedlichen Spannungen der LEDs. Ich könnte daher wetten, dass Jeder andere Ergebnisse findet. Zwischen Anschluss 8 und 9 messe ich 1,996 V. Das ist die LED-Spannung meiner gelben LED bei einem Strom von 7,1 mA und einer sommerlichen Temperatur von gerade 26,5 Grad. Ja, die Temperatur spielt auch noch mit hinein, noch ein Grund, nicht zu viel Genauigkeit anzustreben. Sagen wir einfach, an der LED liegen 2 V und am Widerstand 7 V, der Strom ist also 7 mA.
7 mA sind ca. ein Drittel des erlaubten Stroms, und die LED scheint hell genug. Man muss sogar aufpassen, dass bei solchen Experimenten keine Gefährdung der Augen droht. Messungen an verschiedenen LEDs haben gezeigt, dass bei modernen blauen oder weißen LEDs im klaren LED-Gehäuse der Helligkeits-Grenzwert in den zuständigen Sicherheitsnormen bei 20 mA erreicht werden kann. Ein Kind könnte die LED aus nächster Nähe ganz scharf anschauen und damit eine Stelle der Netzhaut schädigen. Geringer ist die Gefahr, wenn man LEDs im matten Gehäuse verwendet.
Dann hätte man doch auch einen größeren Widerstand nehmen können? Ja, das wäre auch möglich gewesen, 2,2 kΩ oder sogar 4,7 kΩ hätten keinen großen Unterschied gemacht und wären auch eine sinnvolle Möglichkeit gewesen. 1,0 kΩ ist deshalb sympathisch, weil man damit so schön rechnen kann (7 V / 1 kΩ = 7 mA). Und die Schaltungen funktionieren auch noch bei stark reduzierter Betriebsspannung.
Eine Messung bei nur noch 3 V zeigte: Die LED hat noch 1,9 V, am Widerstand liegen 1,1 V, der LED-Strom ist also 1,1 mA. Die Helligkeit ist immer noch hoch genug. Wie gesagt, sogar 1 µA erzeugt noch ein schwaches Leuchten, also 1000-fach weniger. 1 kΩ ist also eine gute Wahl, wenn man auf einen großen Spannungsbereich Wert legt. Man kann also problemlos 9-V-Blöcke verwenden, die von anderen Geräten bereits als zu leer abgelehnt wurden. Die vielfach verwendeten Rauchmelder warnen vor einer leeren Batterie, wenn die Spannung auf 7 V gefallen ist. Es lohnt sich also, sie dann aufzuheben und für einfache Experimente zu verwenden. Genauso kann man mit 4,5 V arbeiten oder gebrauchte LiPo-Akkus verwenden.
Hintergrund: Dioden
Bei den Messungen wurde der Strom durch die LED von 7 mA auf ca. 1 mA verringert. Die Spannung an der LED verringerte sich dabei aber nur um ca. 0,1 V von 2 V auf 1,9 V. Ähnliches kann man auch bei anderen LEDs und ebenso bei Silizium-Dioden, Schottky-Dioden oder Germanium-Dioden beobachten. Jede Halbleiter-Diode leitet nur in einer Richtung und hat in Durchlassrichtung eine Strom/Spannungs-Kennlinie mit einem exponentiellen Anstieg des Stroms. Das Diagramm zeigt die Kennlinien eine Si-Diode und einer roten LED. Bei beiden erkennt man, dass ab einer Mindestspannung eine kleine Spannungsänderung zu einer großen Stromänderung führt.
Dioden-Kennlinien
Bei den vorangegangenen Messungen war der Transistor nahe der LED nicht
beteiligt, man musste den Stromkreis selbst schließen. Bei der üblichen
Funktion in der Blinkschaltung arbeitet der Transistor jedoch wie ein Schalter,
der den Stromkreis periodisch schließt. Interessant ist nun, ob er das genauso
gut kann wie ein üblicher Schalter.
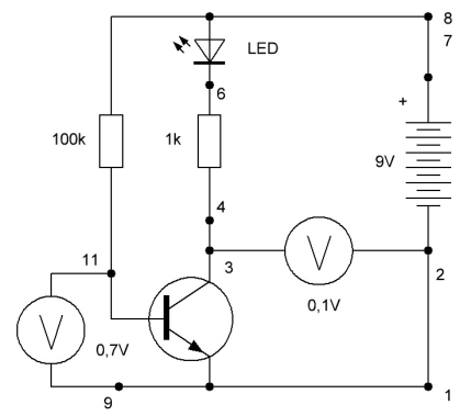
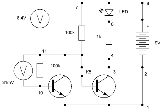
Für die Messung schließt man K5 und öffnet alle übrigen Jumper. Die LED ist an, auf den ersten Blick genauso hell wie mit einer direkten Drahtverbindung. Dann fügt man wieder eine äußere Verbindung zwischen 2 und 3 ein. Wird die LED dadurch heller? Anscheinend nicht!
Noch genauer zeigt es eine Spannungsmessung zwischen 2 und 3, also zwischen Emitter und Kollektor des Transistors. Sie zeigt 113 mV, also ca. 0,1 V. An einem Schalter würde man im geschlossenen Zustand 0 V messen. Am Transistor geht also im eingeschalteten Zustand eine Kollektor-Emitter-Restspannung von 0,1 V verloren. Das bedeutet, dass statt 7 mA nur noch 6,9 mA fließen. Aber dieser Unterschied ist so gering, dass mit dem Auge kein Unterschied erkennbar wird. Man könnte also sagen, der Transistor schaltet zwar nicht perfekt, aber allemal gut genug. Im eingeschalteten Zustand findet man zwischen Basis und Emitter eine Spannung von ca. 0,7 V.

Eingeschalteter Transistor
Übrigens: Ausschalten geht auch. Dazu muss man nur Anschluss 9 mit Anschluss 11 verbinden. Damit wird der Basisstrom abgeschaltet, indem Basis und Emitter kurzgeschlossen werden. Der Strom durch den Basiswiderstand von 100 kΩ fließt dann vollständig durch die Kurzschlussbrücke. Weil aber kein Basisstrom mehr fließt, fließt auch kein Kollektorstrom mehr.
Solche bewussten Kurzschlüsse sind ein bewährtes Mittel zur Fehlersuche in einer Schaltung. Eine Verbindung zwischen Kollektor und Emitter muss in diesem Fall die LED einschalten, eine Verbindung zwischen Basis und Emitter muss sie ausschalten.
Hintergrund: Der NPN-Transistor
Der BC547B ist ein typischer Kleinsignal-NPN-Transistor für Kollektorstöme bis 100 mA. Intern gibt es zwei Halbleiter-Dioden, deren Daten denen einer normalen Si-Diode ähneln. Im Ruhezustand ist die Kollektor-Basis-Diode gesperrt, sodass kein Kollektorstrom fließt.

Transistor als Stromverstärker
Wenn durch die Basis-Emitter Diode ein kleiner Strom fließt, fließt durch den Kollektor ein verstärkter Strom. Der Stromverstärkungsfaktor kann z.B. bei 300 liegen. Der Transistor kann also als Stromverstärker dienen, wobei der Laststrom proportional zum Steuerstrom ist. Wenn aber der maximale Strom durch einen Widerstand im Kollektorstromkreis begrenzt wird, führt ein gerade ausreichend großer Basisstrom dazu, dass der Kollektorstrom bereits in die Sättigung geht, also nicht weiter steigen kann. Im Betrieb wird man zwischen Basis und Emitter wegen der exponentiellen Diodenkennlinie meist eine Spannung nahe 0,7 V finden.
Warum wurde ein Basiswiderstand von gerade 100 kΩ gewählt? Auch diese Entscheidung ist relativ willkürlich. Der Basiswiderstand ist 100-fach größer als der Kollektorwiderstand, also der Vorwiderstand der LED. Unter Vernachlässigung der Spannungen an der LED und an der Basis-Emitter-Diode kann man sagen, dass mindestens eine 100-fache Stromverstärkung nötig ist, um den Transistor voll durchzusteuern. Laut Datenblatt hat der BC547B einen Verstärkungsfaktor von typisch 300, wobei allerdings ein großer Toleranzbereich zwischen 200 und 450 möglich ist. Mit 100 kΩ liegt man also auf der sicheren Seite. Dazu kam, dass auch zwei weitere Widerstände in der Schaltung 100 kΩ haben, was die Vorratshaltung der Bauteile erleichtert.
Wenn man die Funktionsweise der Blinkschaltung in einem Satz beschreiben
sollte, könnte man es so sagen: Der Blinker ist ein Verstärker mit einer
Rückkopplung über einen Kondensator. So ein Verstärker muss Stromänderungen in
beiden Richtungen verstärken können. Das heißt, es darf im Ruhezustand weder gar
kein Strom noch der maximale Strom fließen, sondern es muss irgendein mittlerer
Strom sein. Bisher wurde nur der voll eingeschaltete Zustand untersucht. Setzt man
den Jumper k2 auf, wird in dem Moment die LED etwas weniger hell.

Messung des Arbeitspunkts
Genaueres sagt eine Spannungsmessung zwischen 2 und 3. Hier wurden nun 2,8 V gefunden. Das bedeutet, dass statt 7 mA nur noch ca. 4 mA fließen. Damit ist die notwendige Voraussetzung eines mittleren Arbeitspunkts (= eines mittleren Kollektorstroms) gegeben. Man muss nur noch über k4 die Rückkopplung einschalten, dann beginnt das Blinken.
Der linke Transistor ist ein wichtiger Teil des Verstärkers. Und er sorgt für einen geeigneten Arbeitspunkt, indem er den Basisstrom des rechten Transistors so weit reduziert, dass er nicht mehr voll durchschaltet. Diese Schaltung ist eng verwandt mit dem Stromspiegel, der im Folgenden genauer vorgestellt wird.
Achtung Fehlmessung
Der gemessene Kollektorstrom von 4 mA ist viel zu groß! Der Fehler ist erst bei späteren Messungen aufgefallen. Die Rückkopplung war zwar mit dem Öffnen von K4 abgeschaltet, aber die Kontaktstifte und die Leiterbahnen bilden einen kleinen Kondensator von vermutlich unter 1 pF, der für eine Rückkopplung ausreicht. Damit gerät der Verstärker ins Schwingen. Die gemessenen 4 mA waren der mittlere Kollektorstrom, der immer wieder zwischen null und dem maximalen Strom wechselt. Die Umschaltfrequenz lag bei etwa 300 kHz. Oberwellen dieses Signals können sogar in einem Mittelwellenradio gehört werden, das nahe an die Schaltung gehalten wird.
Das bestätigst Murphys Gesetz: Immer wenn man einen Verstärker bauen will, schwingt er. Und immer wenn man einen Oszillator bauen will, schwingt er nicht.
Der Fehler wurde zuerst nicht erkannt, weil das Digitalmultimeter eine Mittelung durchführt und die Schwingungen nicht zeigt. Erst eine Messung mit dem Oszilloskop hat das Problem aufgedeckt.

Verbesserte Messung
Die ungewollten Schwingungen kann man leicht unterdrücken, indem man den linken Anschluss von K4 mit Minus verbindet. Eine andere Möglichkeit wäre ein zusätzlicher Kondensator zwischen Emitter und Kollektor eines der beiden Transistoren. Damit verringert man die obere Grenzfrequenz des Verstärkers, sodass der kleine ungewollte Rückkopplungskondensator nicht mehr für den Schwingungseinsatz ausreicht.
Wenn auf diese Weise die Schwingungen verhindert werden, kann der tatsächliche Ruhestrom gemessen werden. Er beträgt nur 0,3 mA.
Der Arbeitspunkt wird über einen abgewandelten Stromspiegel eingestellt. Ein
echter Stromspiegel braucht nur einen Widerstand und zwei Transistoren. Beim
linken Transistor sind Basis und Kollektor zusammengeschaltet und mit der Basis
des zweiten Transistors verbunden. So haben beide Transistoren die gleiche
Basisspannung. Im Idealfall fließt deshalb durch den rechten Transistor der
gleiche Kollektorstrom wie durch den linken. Dieser Strom wird durch den
gemeinsamen Basiswiderstand eingestellt. Der Strom durch den Widerstand
spiegelt sich also im Kollektorstrom des rechten Transistors: I2 = I1

Prinzip des Stromspiegels
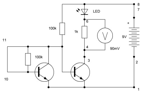
Statt einer direkten Verbindung von Basis und Kollektor des linken Transistors verwendet die Blinkerschaltung an dieser Stelle einen Widerstand von 100 kΩ. Aber man kann die Verbindung leicht herstellen, indem man eine Brücke zwischen 10 und 11 legt. Im gleichen Moment wird das Leuchten der LED schwächer. Theoretisch sollte die LED nun so leuchten, als wäre sie mit einem Vorwiderstand von ca. 100 kΩ versehen. Genauer gesagt: Der LED-Strom sollte so groß sein wie der Strom durch den gemeinsamen Basiswiderstand. Wenn man die Basis-Emitterspannung der Einfachheit halber mit 0,7 V annimmt, liegen 8,3 V am Widerstand von 100 kΩ, es fließt also ein Strom von 83 µA.
Der tatsächliche LED-Strom kann wieder über die Messung des Spannungsabfalls an ihrem Vorwiderstand bestimmt werden. Hier wurden 90 mV gemessen, der Strom beträgt also 90 µA. Im Rahmen der erreichbaren Genauigkeit stimmt das gut mit den erwarteten 83 µA überein. Abweichungen entstehen durch Toleranzen der Transistoren und durch mögliche Temperaturunterschiede. Außerdem steigt der Kollektorstrom etwas mit steigender Kollektorspannung.

Anwendung des Stromspiegels
Die Temperaturabhängigkeit ist erheblich. Bei gleicher Basisspannung vergrößert eine Temperaturerhöhung von 10 Grad den Kollektorstrom um den Faktor 2. Durch Anfassen des rechten Transistors konnte der Strom von 90 µA bis auf 150 µA erhöht werden. Umgekehrt wurde der Strom bis auf 50 µA verkleinert, wenn der linke Transistor durch eine Berührung erwärmt wurde.
Durch Messung der Spannung am Basiswiderstand des linken Transistors kann der
Basisstrom gemessen werden. Damit kann man berechnen, wie groß der
Stromverstärkungsfaktor dieses Transistors ist. Der rechte Transistor wird für
die Messung abgeklemmt, indem K5 geöffnet wird.

Spannungsmessungen
Die Messung ergab 31 mV. Daraus ergibt sich ein Basisstrom von 31 mV / 100 kΩ = 0,31 µA. Am Kollektorwiderstand wurden 8,4 V gemessen, was einen Strom von 84 µA ergibt. Das Verhältnis 84 µA / 0,31 µA = 270 ist der gesuchte Stromverstärkungsfaktor.
Hintergrund: Der Stromverstärkungsfaktor
Ganz grob betrachtet ist der Stromverstärkungsfaktor ein konstanter Wert für jeden individuellen Transistor. Wenn man aber in den Datenblättern genauer nachsieht, entdeckt man eine Abhängigkeit vom Kollektorstrom. Bei sehr kleinen und sehr großen Strömen ist die Verstärkung deutlich geringer. Die größte Verstärkung findet man bei Strömen um 10 mA. Die gemessen 84 µA bedeuten also, dass der Transistor schon mit reduzierter Stromverstärkung arbeitet. Außerdem ist die Verstärkung auch noch von der Temperatur abhängig.

Die Stromverstärkung beim BC547B
Dazu kommt, dass der Verstärkungsfaktor in den Datenblättern bei einer Kollektor-Emitterspannung von 5 V angegeben wird. Hier liegt die Spannung nur bei ca. 0,6 V, was ebenfalls zu einer geringeren Stromverstärkung führt.
Außerdem gibt es starke Streuungen zwischen Transistoren gleichen Typs. Alles zusammen führt dazu, dass es schwierig ist, den Arbeitspunkt einer Schaltung ganz genau vorauszuplanen. Einige Maßnahmen wie die Gegenkopplung oder auch der Stromspiegel helfen dabei, dass Schaltungen trotz dieser Bauteiletoleranzen zuverlässig funktionieren.
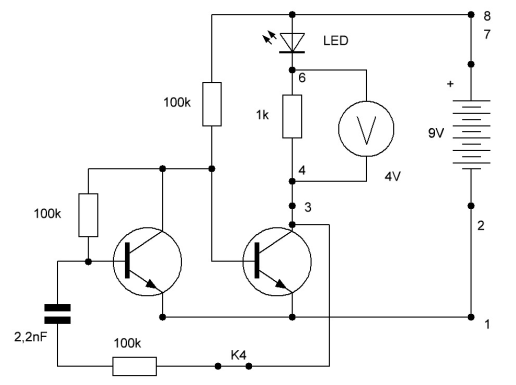
Bei geschlossener Rückkopplung über K2 liegen ein Kondensator und ein
Widerstand in Reihe zwischen Ausgang und Eingang des Verstärkers. So wird aus
dem Verstärker ein Oszillator. Der Strom durch die LED wird periodisch ein- und
ausgeschaltet. Der Widerstand liegt mit 100 kΩ fest, aber der Kondensator ist austauschbar. Vorgeschlagen wurden
Kondensatoren zwischen 330 nF und 1 µF für einen schnelleren oder langsameren
Blinker. Wenn zwei Kondensatoren eingebaut sind, kann man sie über K1 parallel
schalten. Man kann aber auch ganz andere Kondensatoren verwenden. Für ganz
unterschiedliche Experimente habe ich einen Elko mit 10 µF und einen keramischen
Kondensator mit 2,2 nF eingebaut. Mit 10 µF erhält man einen sehr langsamen
Blinker, mit 2,2 nF einen Oszillator mit ca. 440 Hz, der auch als Tongenerator
einsetzbar ist.

Rückkopplung für einen Tongenerator
Mit dem kleinen Kondensator sieht man kein Blinken, sondern die LED scheint gleichmäßig zu leuchten. Wenn man einen Lautsprecher, einen Kopfhörer oder einen Piezo-Schallwandler passend anschießt, hört man einen Ton. Die Tonausgabe wird weiter unten noch genauer beschrieben. Hier sollen die Schwingungen zunächst mit einem Oszilloskop untersucht werden.

Signalform am Kollektor
Das Messkabel wurde zwischen 2 und 4 angeschlossen. Man erkennt im Oszillogramm, dass der rechte Transistor etwas länger im eingeschalteten Zustand bleibt als im gesperrten. Die Ausschaltdauer beträgt ca. 40%. In dieser Zeit liegt die Kollektorspannung deutlich über 7 V. Man kann jedoch eine Schräge erkennen. Das bedeutet, dass am Anfang der Aus-Phase noch ein geringer Strom durch die LED fließt, der dann immer geringer wird.

Spannungsverlauf am Kondensator
Das zweite Oszillogramm zeigt die Spannung am Verbindungspunkt des Kondensators mit dem in Reihe geschalteten Widerstand, den man auch am Pin 12 erreicht. Immer wenn die Spannung am Kondensator ansteigt, wird er aufgeladen, wobei der Ladestrom den Basisstrom des ersten Transistors erhöht und ihn stärker durchsteuert. Der steile Anstieg am Anfang dieser Phase wird durch einen größeren Ladestrom von ca. 70 µA bewirkt, der auch durch die LED fließt. Derselbe Effekt kann auch ohne Oszilloskop beobachtet werden, wenn man den Blinker mit 10 µF sehr langsam laufen lässt. Hier sieht man anfangs noch ein Leuchten, das dann allmählich schwächer wird.
Der Aus-Zustand der LED wird so lange aufrechterhalten, wie noch ein genügend großer Ladestrom fließt, sodass der erste Transistor den zweiten vollständig sperren kann. Wenn der Ladestrom fast aufhört, strebt die Schaltung wieder den von dem modifizierten Stromspiegel vorgegebenen Ruhestrom an. Das führt dazu, dass die Kollektorspannung sinkt und der Ladevorgang sich umkehrt. Damit wird der linke Transistor gesperrt, sodass der rechte den vollen Basisstrom erhält und die LED ganz einschaltet. Die Basisspannung des linken Transistors sinkt dabei anfangs weit unter null. Das folgende Diagramm zeigt der Verlauf der Basisspannung. Man sieht, dass sie fast bis auf –6 V sinkt und dann entsprechend der Ladekurve des Kondensators erst schnell und dann langsamer wieder ansteigt.

Basisspannung am ersten Transistor
Mit einer Zweikanalmessung lassen sie Basis- und die Kollektorspannung des rechten Transistors gemeinsam darstellen. Immer wenn die Basisspannung klein ist, bleibt der Transistor gesperrt. Bei großer Basisspannung fließt genügend Basisstrom, um den Transistor voll einzuschalten.

Kollektor- und Basisspannung
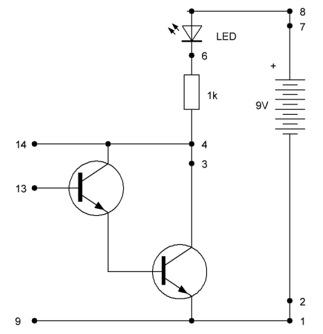
Um den Licht- und Berührungssensor zu nutzen, muss man K3 schließen und K5
öffnen. Damit wird eine Schaltung mit zwei Transistoren und extrem hoher
Stromverstärkung gebildet, die man nach ihrem Erfinder Darlington-Schaltung
nennt. Der durch den ersten Transistor verstärkte Strom fließt durch den
Emitter des ersten und die Basis des zweiten Transistors, sodass er noch einmal
verstärkt wird.
Wenn jeder der beiden Transistoren einen Verstärkungsfaktor von 300 hat, wird die gesamte Verstärkung 300 * 300 = 90.000-fach. Mit einem Verstärkungsfaktor von rund 100.000 braucht man nur noch extrem kleine Ströme, um die LED anzusteuern. Ein Strom von 10 pA (Picoampere) wird bis auf 1 mA verstärkt, sodass die LED gut sichtbar leuchtet.

Darlington-Schaltung
Ein extrem hochohmiger Widerstand zwischen 13 und 14 wird also die LED einschalten. Es reicht schon eine leichte Berührung mit dem Finger, um genügend Basisstrom fließen zu lassen.

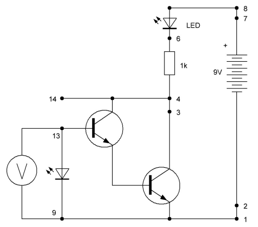
LED als Fotozelle
Wenn die Schaltung als Lichtsensor verwendet wird, liefert eine LED den Steuerstrom in Abhängigkeit von der Beleuchtung. Eine grüne LED kann bei voller Beleuchtung eine Spannung über 1,5 V erzeugen. Allerdings kann sie nur extrem kleine Ströme im Bereich einiger Nanoampere liefern. Deshalb ist eine direkte Messung mit dem Digitalmultimeter schwierig. Der Innenwiderstand des Messgeräts von z.B. 10 MΩ wirkt fast wie ein Kurzschluss. Wenn die LED bei mittlerer Beleuchtung einen Strom von 10 nA liefern kann, bricht die Spannung beim Anschluss des Multimeters auf 100 mV zusammen. Außerdem können durch das Messkabel Wechselspannungen aus der Umgebung aufgefangen werden, die die Messung stören.

Messung der Fotospannung
Mit einem Trick gelingt die Messung aber doch. Man muss einen Kondensator parallel schalten. Der passende Elko von 10 µF befindet sich ja schon auf der Platine. Man kann von außen die Anschlüsse 9 mit 10 sowie 12 mit 13 verbinden. Außerdem muss der Jumper K1 geschlossen werden. So liegt der Elko parallel zur Sensor-LED.
Nun dauert es einige Minuten, bis die LED am Ausgang zu leuchten beginnt. Wenn die LED ihre Helligkeit nicht mehr ändert, kann das Voltmeter kurz angelegt werden. Sobald es angeschlossen ist, führt sein Innenwiderstand zu einer langsamen Entladung. Die Zeit reicht aber aus, um die Spannung ablesen zu können. Es wurde eine Eingangsspannung von ca. 1 V gemessen. Der verstärkte LED-Strom wurde mit 80 µA bestimmt. Geht man von einer 100.000-fachen Verstärkung aus, müsste der Sensorstrom 0,8 nA betragen haben.
Es gibt noch eine zweite Methode, solch kleine Ströme zu bestimmen. Dazu misst man die Zeit, die gebraucht wird, um den Kondensator zu laden. Zuerst wird der Kondensator mit einem Kurzschluss zwischen 10 und 12 entladen. Dann wartet man ab, bis die LED am Ausgang wieder sichtbar leuchtet. Gemessen wurde eine Ladezeit von 50 Minuten, also 3000 s. Mit der bekannten Kapazität des Elkos von 10 µF und einer Endspannung von 1 V kann der Ladestrom berechnet werden.
I = C * U / t
I = 10 µF * 1 V / 3000 s
I = 0,0033 µA = 3,3 nA
Der Ladestrom ist also vierfach größer als zunächst vermutet. Also wurde der Verstärkungsfaktor der Darlington-Schaltung zu hoch angesetzt. Umgekehrt kann er nun aus dem Verhältnis der Ströme bestimmte werden: 80 µA / 0,0033 µA = 24.000, also rund 25.000. Bekanntlich sinkt die Stromverstärkung eines Transistors bei sehr kleinen Strömen deutlich ab. Deshalb ist die Gesamtverstärkung vierfach kleiner als zuerst angenommen. Trotzdem ist die Schaltung mit einer Empfindlichkeit von ca. 1 nA extrem vielseitig einsetzbar.