Elektronik-Start, LED-Steuerungen
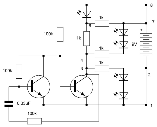
Ein Transistor kann mehrere LEDs gleichzeitig schalten. Das soll hier am
Beispiel des Blinkers getestet werden. Zwischen 4 und 7 werden zwei zusätzliche
LEDs in Reihe mit eigenem Vorwiderstand eingebaut. Sie blinken dann im
Gleichtakt mit der eingebauten LED.

Blinker mit fünf LEDs
Zwei weitere LEDs in Reihe mit eigenem Vorwiderstand werden zwischen Emitter und Kollektor eingefügt. Die blinken dann im Gegentakt zur eingebauten LED. Weil sie immer in den Aus-Phasen des Transistors leuchten sollen, fließt permanent ein Strom. Das würde dazu führen, dass die eingebaute LED nie ganz ausgeht, sondern in den Ausphasen nur schwächer leuchtet. Dagegen hilft ein paralleler Widerstand zwischen 6 und 7, der den kleineren Strom ableitet und den Spannungsabfall in den Aus-Phasen klein genug hält. Ohne die vier zusätzlichen LEDs hat ein solcher Parallelwiderstand den Nutzen, dass die eingebaute LED abrupter und ohne eine Resthelligkeit in den Auszustand umschaltet.

Externe LEDs und Widerstände
Die Blinkschaltung ist ein Flipflop, also eine Schaltung, die zwei Zustände
kennt. Weil jeder Zustand immer nur für eine kurze Zeit stabil ist, nennt man
die Blinkschaltung auch ein astabiles Flipflop. Im Gegensatz dazu gibt es auch Flipflops,
die ihren Zustand beliebig lange halten können. Hier wird ein RS-Flipflop
gebildet, das gezielt in den An-Zustand (Set, S) oder den Aus-Zustand (Reset,
R) gesetzt werden kann und den jeweiligen Zustand beliebig lange hält.

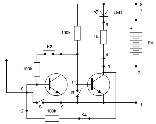
Set und Reset
Für den Umbau muss nur der Kondensator mit einer Verbindung 10-12 überbrückt werden. K2 kann, aber muss nicht geschlossen werden. K1 muss geschlossen sein, damit über den Widerstand mit 100 kΩ eine Rückkopplung aufgebaut wird. So erreicht man, dass jeweils einer der beiden Transistoren leitet und den andern sperrt.
Solange der linke Transistor gesperrt ist, erhält der rechte Transistor genügend Basisstrom um durchzuschalten. Weil dann seine Kollektorspannung nahe null liegt, wird die Basis des linken Transistors heruntergezogen, sodass er im gesperrten Zustand bleibt. Umgekehrt bleibt der Aus-Zustand stabil, weil dann eine hohe Spannung am Kollektor des rechten Transistors liegt, sodass der Rückkopplungswiderstand den Basisstrom für den linken Transistor liefert, der damit durchschaltet und den rechten Transistor gesperrt hält.

Umschaltung durch Drahtbrücke
Im Schaltbild sind zwei Schalter R und S eingezeichnet, mit denen man den Zustand wechseln kann. Es reicht eine kurze Betätigung von S um die LED einzuschalten oder von R um sie auszuschalten. Für einen Test reicht es auch, ein Kabel an 9 (GND) zu klemmen und mit dem andern Ende abwechselnd 10 oder 11 zu berühren.
Am Anschluss 10 ist ein weiterer Draht angedeutet, über den man auch in beide Richtungen umschalten kann. Man nehme dazu einen blanken Draht in die Hand und tippe damit den Anschluss 10 oder 12 an. Der momentane Zustand des RS-Flipflops ändert sich dadurch scheinbar zufällig, manchmal kommt es zu einer Umschaltung, manchmal nicht. Tatsächlich trägt man meist eine 50-Hz-Wechselspannung, die gerade eine negative oder eine positive Phase haben kann. Bei der ersten Berührung des Eingangs kommt es zu einer Entladung mit einem kurzen Stromimpuls, der die Umschaltung bewirken kann. Wenn allerdings die LED schon an ist und gerade ein negativer Impuls entsteht, bleibt sie an.
Dieser Anschluss hat auch die Funktion einer Antenne und regiert auf Hochfrequenzsignale. Zum Test kann man ein Piezo-Feuerzeug in einem Abstand von weniger als 10 cm vom Antennendraht bedienen. Durch den elektrischen Funken entsteht ein Hochfrequenz-Impuls, der das Flipflop in den R-Zustand versetzt, die LED als ausschaltet. Dieses Verhalten wurde auch mit einem Amateurfunksender bei einer Frequenz von 7 MHz getestet. Auch damit konnte die LED nur ausgeschaltet, aber nicht eingeschaltet werden.
Die Schaltung verwendet den rechten Transistor invertiert mit offener Basis.
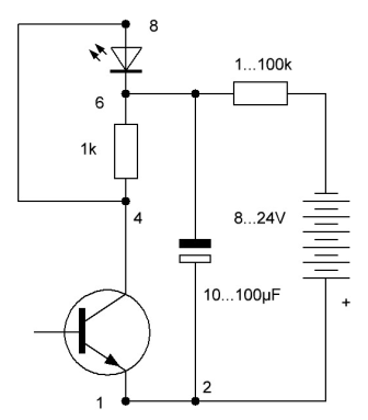
Das bistabile Verhalten und die Zündspannung wurden bereits im Abschnitt 6.3
untersucht. Hier wird dieses Verhalten verwendet, um einen Kondensator periodisch
zu entladen und kurze Lichtblitze zu erzeugen. Gebraucht werden eine externe Spannungsquelle
sowie ein zusätzlicher externer Elko und ein hochohmiger Ladewiderstand.
Der Elko lädt sich immer so weit auf, dass die Zündspannung erreicht wird. Dann wird der Transistor leitend und entlädt den Kondensator über die LED bis zur Löschspannung. Damit entsteht ein kurzer Lichtblitz. Danach wiederholt sich der ganze Vorgang, sodass ein periodisches Blitzen entsteht. Die Blitzfrequenz kann über die Spannung, die Kapazität des Elkos und den Ladewiderstand verändert werden. Ein Blitz pro Sekunde wurde mit 100 µF und 10 kΩ bei einer Betriebsspannung von -12,4 V erreicht.

Blitzlicht

Betrieb mit invertierter Betriebsspannung
Die Schaltung lässt
sich noch etwas vereinfachen, wenn man eine externe LED verwendet. Kleine
Blitz-Schaltungen mit nur einem Transistor lassen sich sehr kompakt aufbauen.
Vorschläge dazu findet man im Elektronik-Labor:
https://www.elektronik-labor.de/Notizen/NPNkipp.html

Vereinfachter LED-Blitzer
Eine einfache Alarmanlage kann mit wenig Aufwand aus dem Blinker gebaut werden.
Dazu fügt man eine Alarmschleife in Form eines dünnen Drahts zwischen 11 und
9 ein. Das Blinken hört damit auf, weil der Basisstrom des rechten Transistors
abgeleitet wird. Der dünne Draht wird so an einem Fenster, einer Tür oder einer
Schublade befestigt, dass er beim Öffnen reißt. Damit geht der Blinker wieder
an. Dasselbe passiert, wenn jemand den Draht entdeckt und zum Zweck der Abschaltung
der Alarmanlage durchtrennt.

Blinker mit zwei Allarmschleifen
Statt der Alarmanzeige durch ein Blinken kann man auch einen akustischen Alarm verwenden. Dazu muss ein kleiner Kondensator von z.B. 2,2 nF verwendet werden, und man muss einen Lautsprecher anschließen.
Die Alarmschleife kann auch zwischen 9 und 10 angeschlossen werden. Damit wird der linke Transistor gesperrt, mit der Folge, dass der rechte Transistor voll durchsteuert. Man erhält also ein Dauerlicht, das bei einem Alarm in ein Blinken übergeht.
Sogar ein zweistufiger Alarm ist möglich. Die Schleife 9-11 sichert eine Schublade, die Schleife 9-10 eine darin liegende Schatulle mit Diamanten. Wenn die Schublade geöffnet wird, gibt es einen stillen Alarm, der die LED einschaltet, sodass ein Wächter eine Chance bekommt, den Einbrecher zu stellen. Erst wenn auch die Schatulle geöffnet wird, entsteht das Blinken oder ein Alarmton.
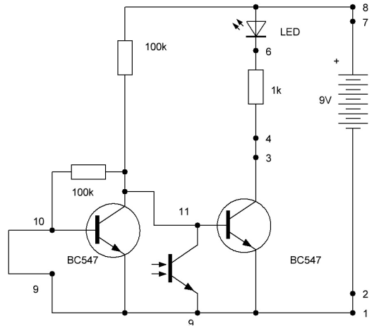
Der ursprüngliche Lichtsensor wird hier verwendet, um den Blinker zu stoppen.
Erforderlich ist eine Verbindung von K3 zum Anschluss 10. Der bei einer
Beleuchtung der Sensor-LED ansteigende Emitterstrom steuert den linken
Transistor des Blinkers leitend, sodass der rechte Transistor sperrt und die
LED aus bleibt. Bei Dunkelheit wird dagegen der Blinker freigegeben.

Abschaltung durch Lichtsensor

Verbindung zu K3
Mit einem zusätzlichen Fototransistor kann ein einfaches Nachtlicht aufgebaut
werden. Der linke Transistor wird mit einer Verbindung zwischen Basis und
Emitter gesperrt. Seine Funktion übernimmt der Fototransistor. Bei genügender
Helligkeit leitet er den Basisstrom des rechten Transistors ab und schaltet
damit die LED ab. Bei einsetzender Dunkelheit wird der Fototransistor dagegen
nichtleitend und schaltet damit die LED ein.

Einsatz eines Fototransistors
Nach demselben Prinzip kann man auch eine akustische Lichtschranke bauen. In einen bestehenden Tongenerator wird der Fototransistor zwischen 9 und 11 eingefügt. Ein fokussierter Lichtstrahl fällt auf den Sensor und schaltet den Ton ab. Sobald der Lichtstrahl unterbrochen wird, schaltet sich der Ton ein.
Der Fototransistor ist hier ein Typ PT334 im klaren LED-Gehäuse. Der Emitter liegt am langen Anschluss, der Kollektor am kurzen. Wenn man den Fototransistor invertiert einbaut, funktioniert er noch mit deutlich geringerer Empfindlichkeit, reagiert also nur noch auf sehr helles Licht.

Fototransistor im klaren LED-Gehäuse
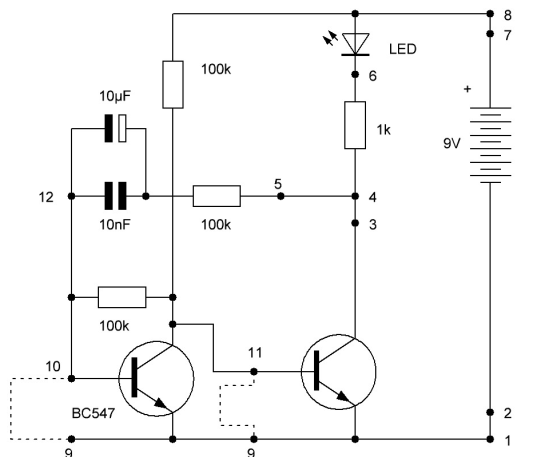
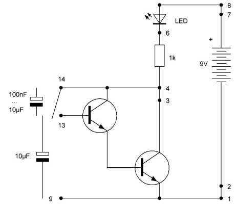
Dieses Gerät bildet eine Art Zeitschalter, der eine LED für eine bestimmte Zeit
einschaltet. Die Besonderheit ist aber, dass das Licht zwar auf Wunsch sofort
eingeschaltet wird, aber dann nur ganz allmählich dunkler wird. Man könnte so
ein Gerät als Einschlaflicht verwenden.
Die Schaltung nutzt die langsame Entladung eines Kondensators bei geringem Laststrom aus. Zwei Transistoren in Darlingtonschaltung sorgen für einen geringen Entladungsstrom und damit eine lange Einschaltdauer. Für den Versuch muss K3 geschlossen und K5 geöffnet sein, damit allein die Darlingtonschaltung aktiv ist.
In der ersten Variante liegt ein Elko mit 10 µF zwischen 9 und 13. Zum Einschalten schließt man einen Kontakt zwischen 13 und 14. Das Licht wird hell eingeschaltet, ist dann etwa eine Minute an und wird immer schwächer. Nach drei Minuten ist nur noch ein sehr schwaches Leuchten zu erkennen. Das Licht wird laufend schwächer, scheint aber nie ganz auszugehen.

Kondensatoren zur langsamen Abschaltung
Die zweite Variante verwendet den Kondensator zwischen 13 und 14. Damit ist die Einschaltdauer sehr viel länger. Beim Einschalten wird der Kondensator entladen und lädt sich durch den Basisstrom langsam auf. Zugleich sinkt der Kollektorstrom langsam ab, und im gleichen Maße steigt die Kollektorspannung an. Für eine kleine Abnahme des Basisstroms muss sich die Kondensatorspannung um sehr viel mehr ändern als bei der ersten Variante. Man nennt eine solche Schaltung mit einem Kondensator zwischen Eingang und Ausgang eines invertierenden Verstärkers einen Integrator, weil die Spannung am Ausgang in jeder Sekunde um einen kleinen Betrag I/C, also Ladestrom durch Kapazität, anwächst.

Keramischer Kondensator im Integrator
In dieser Schaltung kann man einen sehr kleinen Kondensator von 100 nF verwenden. Das Licht nimmt dann gut sichtbar im Laufe einer halben Minute ab. Mit einem Elko von 10 µF wird das Leuchten 100-fach länger.
Wenn wie in diesem Fall auch D2 als Lichtsensor mit eingebaut ist, reagiert die Schaltung verlangsamt auf einen Lichteinfall. Die Endhelligkeit der LED wird erst nach einer halben Minute erreicht. Dafür leuchtet die LED nach dem Ausschalten der Beleuchtung noch rund eine halbe Minute nach. Durch Berührung beider Drähte des Kondensators kann man die Lampe jederzeit wieder „aufladen“.