
Home Labor Bastelecke Elektronik-Experimente
Der Elektronik-Baukasten enthält eine grüne und eine rote Leuchtdiode (LED). Eine LED darf nie direkt an eine Batterie angeschlossen werden, denn dann könnte sie überlastet werden und kaputt gehen. Man braucht immer einen Vorwiderstand, der für eine Begrenzung des Stroms sorgt. Hier sind jedoch die passenden Widerstände von 2,2 kΩ schon eingebaut, man hat also immer schon eine LED mit einem Widerstand.
Also los, als Erstes soll einmal die grüne LED zum Leuchten gebracht werden. Das Schaltbild zeigt einen geschlossenen Stromkreis mit Batterie, LED und Widerstand. Man nennt diese Schaltung auch eine Reihenschaltung, weil alle Bauteile in einer Reihe nacheinander angeordnet sind.

Abb. 2.1 Ein Stromkreis mit LED
Damit der Stromkreis auch im wirklichen Experiment geschlossen ist, braucht man insgesamt vier Kontaktbrücken (Jumper). Eigentlich versperrt nämlich der Transistor mit seinen drei Anschlüssen den Weg. Er leitet den Strom nicht. Deshalb sorgen erst die zusätzlichen Brücken dafür, dass wirklich Strom fließen kann. Sie sind hier als dicke rote Verbindungen eingezeichnet.

Abb. 2.2 Die nötigen Kontaktbrücken
Mit diesen vier Brücken funktioniert es, die grüne LED leuchtet. Alle Bauteile, die entweder überhaupt nicht oder nur mit einem Beinchen angeschlossen sind oder durch Jumper kurzgeschlossen werden, sind sozusagen gar nicht da. Das ist so ähnlich wie beim fünften Rad am Wagen, es fährt zwar mit, hat aber keine Funktion. In diesem Fall ist der der Transistor durch zwei Jumper ganz außer Funktion gesetzt.

Abb. 2.3 Ein erfolgreich aufgebauter Versuch
Was wird wohl passieren, wenn man einzelne Brücken entfernt. In den meisten Fällen wird der Stromkreis dann unterbrochen und die LED geht aus. Nur bei der zweiten Brücke von unten ist das anders. Wenn man sie entfernt, bleibt die LED an. Das hat etwas mit der Funktion des Transistors zu tun und wird erst später ganz genau untersucht.
Eine Diode leitet den Strom nur in einer Richtung. Strom fließt von der Anode zur Kathode. An der Anode muss also der Pluspol angeschlossen werden. Anders herum funktioniert es nicht, die Diode verhält sich in „Sperr-Richtung“ wie ein Isolator, sie versperrt dem Strom den Weg. Bei diesem einfachen Versuch kann man das ausprobieren, indem man einfach die Batterie vom Kabel trennt und falsch herum an den Batterieclip hält. Die LED bleibt dann aus. Batterie wieder umgedreht und schon fließt wieder Strom. Achtung, Das darf man nicht mit jedem Gerät so machen. Viele Schaltungen gehen bei einer Falschpolung der Spannungsquelle kaputt. Für die LED ist es kein Problem.
Siehe auch: Erfahrungsbericht Die LED im Stromkreis
Messungen
Wer ein geeignetes Multimeter besitzt, sollte es möglichst oft einsetzen, um
die aufgebauten Schaltungen ganz genau zu untersuchen. Meist werden Spannungen
gemessen. Eine Spannung herrscht zwischen zwei Punkten einer Schaltung, also
z.B. zwischen den Anschlüssen der Batterie, zwischen beiden Drähten der LED,
oder zwischen beiden Anschlüssen des Widerstands. Bei einer Spannungsmessung
hält man die Messkabel an die beiden Messpunkte.

Abb. 2.4: Spannungsmessung an der LED
Typische Messergebnisse:
Spannung der Batterie: 9,0 V
Spannung an der LED: 2,7 V
Spannung am Vorwiderstand: 6,3 V
Eine Rechnung ergibt: 2,7 V + 6,3 V = 9 V. Da kann kein Zufalls sein, dahinter steckt ein physikalisches Gesetz: In einer Reihenschaltung addieren sich die Spannungsabfälle an den einzelnen Verbrauchern zur Gesamtspannung.
Mit den Messwerten lässt sich der Strom in der Schaltung berechnen:
Stromstärke = Spannung / Widerstand
I = U / R
I = 6,3 V / 2,2 kΩ
I = 2,9 mA
Die Ergebnisse können je nach Zustand der Batterie etwas abweichen. Eine ganz neue Alkali-Blockbatterie hat mehr als 9 V. Gemessen wurden zum Beispiel 9,4 V. Aber es gibt auch noch Spannungsabfälle an den Schutzwiderständen zur Batterie, sodass die Spannung auf der Platine bei rund 9 V liegen kann.
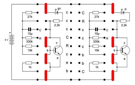
Eine Batterie schafft mehr als nur eine LED. Also kann man einen zweiten Stromkreis schließen und auch die rote LED leuchten lassen. Auch der zweite Stromkreis besteht aus einer Reihenschaltung mit LED und Widerstand. Aber zusammen hat man eine Parallelschaltung. Wenn man eine LED zusammen mit ihrem Widerstand als einen Verbraucher oder eine Lampe betrachtet, liegen beide parallel. Die Parallelschaltung wird auch als „verzweigter Stromkreis“ bezeichnet, denn der Strom der Batterie verzweigt sich auf zwei Lampen (in diesem Fall LEDs mit ihren Vorwiderständen).

Abb. 2.5: Parallelschaltung
Auch im rechten Teil des Aufbaus werden wieder vier Brücken gebraucht. Da braucht man eigentlich schon keinen Aufbauplan mehr, denn es ist ja klar, dass die Jumper auf der rechten Seite genauso gesteckt werden müssen wie auf der linken.

Abb. 2.6: Leuchte mit zwei LEDs
Nun leuchten beide LEDs. Damit hat man eine brauchbare kleine Leuchte gebaut, die man auch einmal im Dunkeln testen sollte. Meist reicht das Licht sogar schon zum Lesen. Man darf aber nicht vergessen, die Lampe am Ende wieder auszuschalten, denn sonst wird die Batterie unnötig belastet und wird schneller unbrauchbar. Zum Ausschalten muss man zwei Brücken entfernen. Am besten verwendet man dazu immer die oberen Brücken an der Plus-Leitung. Denn dann sieht man es auf einen Blick: Die Batterie ist abgeschaltet.
Messung
An der roten LED findet man eine etwas kleinere Spannung als an der grünen LED,
nämlich nur etwa 1,8 V. Am Widerstand liegt dafür eine etwas größere Spannung
von 7,2 V, wenn die Versorgungsspannung genau 9 V beträgt. Bei diesem Versuch
fließt aber insgesamt ein relativ großer Strom von 6 mA, sodass ein
Spannungsabfall von insgesamt 0,6 V an den beiden Schutzwiderständen der
Schaltung entsteht. Mit einer ganz neuen Alkali-Batterie mit der
Anschlussspannung 9,4 V wurde deshalb eine Betriebsspannung von 8,8 V gemessen.
Widerstand ist die Eigenschaft eines elektrischen Verbrauchers, die dafür sorgt, dass der Strom geringer wird. Ein Draht hat fast keinen Widerstand. Wenn man einen Stromkreis nur aus einer Batterie und einem Draht schließt, hat man einen Kurzschluss gebaut. Es fließt dann sehr viel Strom, der Draht könnte heiß werden oder die Batterie explodieren, in jedem Fall aber wird die Batterie sehr schnell unbrauchbar. Mit den Schutzwiderständen auf der Platine kommt es nicht ganz so schlimm, aber die Batterie würde immer noch zu schnell verbraucht. Die Widerstände an den LEDs sorgen dagegen bei einer korrekten Schaltung dafür, dass nur wenig Strom fließt, oder gerade so viel wie man braucht.

Abb. 2.7: Ein zusätzlicher Vorwiderstand

Abb. 2.8: Mehr Widerstand und weniger Helligkeit
Um noch mehr Strom zu sparen soll nun eine Reihenschaltung mit der LED und ihrem Vorwiderstand mit 2,2 kΩ und einem zusätzlichen Widerstand mit 10 kΩ gebaut werden. Insgesamt hat man dann einen Widerstand von 12,2 kΩ in der Schaltung, also etwa fünfmal mehr als vorher. Der Strom durch die LED wird also ungefähr fünfmal kleiner, und auch das Licht wird fünfmal schwächer. Aber es ist immer noch gut zu sehen. Der Transistor hat übrigens in dieser Schaltung keinen Einfluss, weil die Verbindung b-e ihn völlig anschaltet. Das wird bei späteren Experimenten mit Transistoren noch eine wichtige Rolle spielen.
Messung
Spannung an der LED: 2,6 V
Spannung am Widerstand 2,2 kΩ: 1,2 V
Spannung am Widerstand 10 kΩ: 5,2 V
Wichtige Erkenntnis: Obwohl der LED-Strom nun wesentlich kleiner ist, hat sich die LED-Spannung nur geringfügig verändert, nämlich von 2,7 V auf 2,6 V. Unter den grünen LEDs gibt es übrigens erhebliche Unterschiede. Während der hier verwendete Typ mit grün-blauer Farbe eine besonders hohe Spannung zeigt, findet man bei andern Typen mit grün-gelbem Farbton eine deutlich kleinere Spannung.
Der größte Widerstand auf der Platine hat 330 kΩ. Wenn man ihn verwendet wird der Strom noch viel kleiner. Vielleicht muss man jetzt schon in einem abgedunkelten Raum arbeiten um das Licht der LED noch klar zu sehen. Aber andererseits ist es auch erstaunlich, wieviel Licht immer noch erzeugt wird, obwohl nur noch ein Hundertstel des für die LED erlaubten Stroms fließt.

Abb. 2.9: Ein großer Vorwiderstand

Abb. 2.10: Geringste Helligkeit
Weniger Strom bedeutet auch, dass die Batterie länger durchhält. Die folgende Tabelle zeigt den Widerstand, den Strom und die vermutliche Lebensdauer der Batterie, wenn man mit einer frischen Alkali-Batterie beginnt. Wie man so etwas ausrechnen kann wird noch besprochen. Man muss dazu auch etwas über die genauen Eigenschaften der LED wissen.
|
Widerstand |
Strom |
Betriebsdauer |
|
2,2 k |
3 mA |
Eine Woche |
|
12,2 k |
0,5 mA |
Zwei Monate |
|
332,2 k |
0,02 mA |
Drei Jahre |
Messung
Um den Strom direkt zu messen, lässt man den Jumper zum Pluspol weg und berührt
die beiden Kontakte mit den Messkabeln eines Amperemeters. Es kann ein Digitalmultimeter
sein, wenn man den passenden Bereich bis 20 mA einschaltet. Wenn längere
Messungen durchgeführt werden sollen, können die zusätzlich Kabel mit
Steckbuchsen für die Verbindung zum Messgerät eingesetzt werden.

Abb. 2.11: Messung der Stromstärke
Oft ist es unbequem, dass man in einer Schaltung den einen Stromkreis erst unterbrechen muss, um eine Amperemeter einzufügen. Man kann stattdessen den Spannungsabfall an einem bekannten Widerstand messen und daraus den Strom berechnen. Bei einer Reihenschaltung mit dem 10-kΩ-Widerstand bietet sich dieser dafür an, weil man die Aufgabe im Kopf lösen kann. An diesem Widerstand wird eine Spannung von 5,2 V gemessen. Daraus ergibt sich ein Strom von 0,52 mA. Im Rahmen der Messgenauigkeit findet man das gleiche Ergebnis wie bei einer direkten Stromstärkemessung.
I = U / R
I = 5,2 V / 10 kΩ
I = 0,52 mA
Darf es noch etwas mehr Widerstand sein? Man kann 2,2 kΩ + 330 kΩ + 10 kΩ = 342,2 kΩ erreichen. Das macht allerdings keinen merklichen Unterscheid mehr. Trotzdem muss es mal probiert werden, am besten gleich für beide LEDs. Der Transistor ist übrigens weiterhin ohne Funktion, wie seine Anschlüsse b und e kurzgeschlossen sind.

Abb. 2.12: Drei Widerstände in Reihe
Eine interessante Frage ist, wie sich die Helligkeiten beider LEDs bei kleinem Strom verhalten. Die grüne LED ist auch jetzt deutlich heller, aber beide LEDs sind noch gut erkennbar. Bei diesem geringen Strom leuchten die LEDs nur noch so schwach, dass man sich ausnahmsweise mal den LED-Kristall in Aktion ganz genau ansehen darf, ohne Schaden für die Augen befürchten zu müssen. Die Linsenform der Gehäuse funktioniert wie ein Vergrößerungsglas. Deshalb kann man die rechteckige Form der LED-Kristalle erkennen.
Wenn man zwei LEDs mit ihren Vorwiderständen parallel schaltet und an eine Batterie legt, leuchten beide. Das wurde ja schon im Abschnitt 2.2 ausprobiert. Jetzt kommt aber noch ein gemeinsamer Widerstand mit 330 kΩ dazu. Was der bewirkt wurde ja auch schon ausprobiert. Er verkleinert den Strom und macht das Licht schwächer. Aber nun wird die zweite LED mit angeschlossen.

Abb. 2.13: Parallelschaltung von LEDs

Abb. 2.14: Verbindung zur roten LED
Hier wird zum ersten Mal eine Verbindung zwischen dem linken und dem rechten Teil der Schaltung hergestellt. Die Verbindung c-c verbindet die beiden LEDs. Die Bezeichnung c stammt von den Transistoren, die da ebenfalls angeschlossen sind, jetzt aber noch ohne Funktion. An den Anschlüssen liegt nämlich der dritte Anschluss, der „Kollektor“ (engl. collector, abgekürzt c).
Wenn die Brücke c-c gesteckt ist, leuchtet nur die rote LED. Das erscheint zunächst sonderbar, denn die grüne LED ist ja parallel angeschlossen. Zieht man nun die Brücke ab, dann leuchtet nur die grüne LED. So kann man mit nur einer Verbindung gleich zwei Dinge gleichzeitig erreichen, nämlich die rote LED einschalten und die grüne LED ausschalten. Die Kontaktbrücke c-c wirkt also wie ein Umschalter: Rot, grün, rot, grün …
Dass die Schaltung so funktioniert, hängt mit den ganz besonderen Eigenschaften einer LED zusammen. Die grüne LED braucht mindestens eine Spannung von etwa 2,0 V, damit sie zu leuchten beginnt. Wenn man die Spannung nur wenig erhöht, steigt der Strom stark an. Bei 2,8 V hat man schon den maximal erlaubten Strom von 20 mA erreicht (vgl. die Kennlinien in Kap. 7.4). Deshalb ist es auch ganz schlecht, wenn man eine LED ohne Widerstand an eine Batterie mit mehr als der erlaubten Spannung legt. Bei einer roten LED ist es ganz ähnlich. Allerdings sind die Spannungen bei gleichem Strom etwas kleiner. Bei 1,5 V fließt gerade ein ganz kleiner Strom, bei 1,8 V ist bereits die volle Helligkeit erreicht. Wenn nur ein kleiner Strom fließt, sorgt die rote LED dafür, dass sich eine geringe Spannung einstellt. Diese reicht aber nicht für die grüne LED. Wenn man aber die Verbindung zur roten LED öffnet, steigt die Spannung so weit an, dass nun die grüne LED leuchtet. Kurz gesagt, die rote LED kann der grünen LED die Spannung abgraben. Das Verhalten von LEDs wird weiter unten noch viel genauer untersucht.
Messung
Die Spannung an der grünen LED zusammen mit dem Vorwiderstand von 2,2 kΩ
beträgt 2.3V. Sie sinkt bei eingeschalteter roter LED auf nur noch 1,7 V.
Und was passiert, wenn die rote LED ihren eigenen Widerstand bekommt? Bei geöffneter Verbindung leuchten nun beide LEDs. Aber wenn die Verbindung geschlossen wird, leuchtet die rote LED heller und die grüne LED geht aus.

Abb. 2.15: Getrennt oder zusammen
Abb. 2.16: Beide LEDs parallel
Das funktioniert allerdings nur, wenn beide Zusatzwiderstände 330 kΩ haben. Versucht man es mit 10 kΩ, geht die grüne LED nicht mehr ganz aus. Das liegt an den Vorwiderständen von 2,2 kΩ an den LEDs. Je größer der Strom wird, desto größer wird auch der zusätzliche Spannungsabfall an diesen Widerständen, und damit wird der eigentlich sehr deutliche Unterschied zwischen der roten und der grünen LED verwischt.
Home Labor Bastelecke Elektronik-Experimente