
Home Labor Bastelecke Elektronik-Experimente
Der Transistor ist ein vielseitig einsetzbares Bauteil. Er kann als Verstärker verwendet werden oder auch als Schalter oder für ganz andere Zwecke. Das Experimentiersystem enthält zwei gleiche Transistoren. Es handelt sich um NPN-Transistoren vom Typ BC547C. Es gibt noch viele andere Arten von Transistoren. Wer aber einfache Experimente mit NPN-Transistoren durchführt, erhält bereits einen guten Überblick über die Anwendung von Halbleitern-Bauelementen.
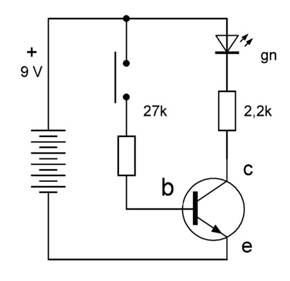
Die Grundfunktion des Transistors ist nicht schwer zu verstehen. Der Emitter (e) soll an den Minuspol der Batterie anschlossen werden, der Kollektor(c) mit einem Verbraucher in Reihe an den Pluspol. Der Verbraucher besteht in diesem Fall aus der LED mit ihrem Vorwiderstand. Im Grundzustand ist der Transistor ein Nichtleiter, es fließt also kein Strom. Wenn man aber einen kleinen Strom durch den Basisanschluss (b) leitet, fließt ein sehr viel größerer Strom durch den Kollektor und den Emitter. Ein kleiner Basisstrom wird also zu einem großen Kollektorstrom verstärkt. Der Kollektorstrom kann 500-mal größer sein als der Basisstrom. Man sagt dann, dass der Transistor eine 500-fache Stromverstärkung hat.

Abb. 3.1: Den Basisstrom einschalten
Im ersten Versuch soll ein kleiner Basisstrom über den Widerstand von 27 kΩ fließen. Wenn man zuerst nur den Jumper an der LED und den am Emitter aufsteckt, ist der Stromkreis scheinbar schon geschlossen und besteht aus Batterie, LED, Widerstand 2,2 kΩ und dem Transistor mit seinen beiden Anschlüssen Kollektor und Emitter. Aber der Transistor leitet nicht und verhält sich wie ein geöffneter Schalter.

Abb. 3.2: Grundversuch zur Funktion des Transistors
Nun soll auch noch der Basis-Stromkreis geschlossen werden. Dazu braucht man einen Jumper, der der 27-kΩ-Widerstand an Plus legt und einen zweiten, der die Basis verbindet. Sobald beide Jumper gesteckt sind, leuchtet die LED. Der Basiswiderstand ist viel größer als der Widerstand an der LED. Daher weiß man, dass nur ein kleiner Basisstrom fließt. Trotzdem zeigt die LED die volle Helligkeit. Der kleine Basisstrom wurde also zu einem großen Kollektorstrom verstärkt. Man kann es auch so sagen: Der kleine Basisstrom hat den Transistor dazu gebracht, dass er den größeren Kollektorstrom eingeschaltet. Und wenn man den Basisstrom abschaltet, schaltet der Transistor die LED aus.
Messung
Die Spannung zwischen Basis und Emitter beträgt im eingeschalteten Zustand
ungefähr 0,6 V bis 0,7 V, in diesem Fall wurden 0,69 V gemessen. Am
Basiswiderstand von 27 kΩ liegt eine Spannung von 8,3 V. Daraus kann man
den Basisstrom von 0,31 mA berechnen. Der Kollektorstrom ist mit etwa 3 mA
wesentlich größer.
Eine wichtige Frage ist nun, ob der Transistor den Strom genauso gut einschaltet wie ein Schalter oder ein Jumper. Es könnte ja sein, dass der Transistor immer noch einen gewissen Widerstand hat, sodass ein echter Schalter die LED noch heller einschalten könnte. Um das auszutesten soll nun eine zusätzliche Verbindung zwischen Emitter und Kollektor gesteckt werden.

Abb. 3.3: Überbrücken des Transtors
Damit diese Verbindung mit Jumpern möglich ist, muss man einen Umweg über den rechten Transistor nehmen. Dessen Basis und Emitter werden nach Minus verbunden. Dann kann ein Jumper zwischen c (links) und b (rechts) auf der mittleren Kontaktleiste die Verbindung schließen. Der Kollektor des linken Transistors wird also mit dem Minuspol verbunden. Aber wird die LED dadurch noch heller? Nein! Das Ergebnis lautet also, dass der Transistor allein schon ein sehr guter Schalter ist.
Nun kann man noch mehr ausprobieren. Die LED soll nun einmal vom Transistor und einmal vom Schalter eingeschaltet werden. Dazu öffnet man den Basisstromkreis, indem man einen der linken Jumper abzieht. Die LED geht aus. Mit dem Jumper in der Mitte kann sie aber wieder eingeschaltet werden. Egal, ob der Transistor den Strom einschaltet oder der Jumper, das Ergebnis ist gleich.

Abb. 3.4: Test mit direkter Verbindung
Jetzt könnte jemand natürlich den Nutzen des Transistors anzweifeln, weil ja ein Schalter gebraucht wird, um den Transistor einzuschalten. Aber das ist nur ein erstes Beispiel. Später kommen Schaltungen hinzu, bei denen sich die Transistoren gegenseitig ein- und ausschalten. Dann zeigt der Transistor was er kann.
Messung
Die Kollektor-Emitter-Restspannung beträgt im eingeschalteten Zustand nur etwa 0,03
V (30 mV) und ist damit nur unwesentlich größer als der Spannungsabfall an
einem geschlossenen Jumperkontakt, der so klein ist, dass man ihn mit einem
einfachen Digitalmultimeter nicht mehr sicher feststellen kann.
Jetzt wird der Basiswiderstand auf 330 kΩ vergrößert. Damit man sehen kann, wie klein der Basisstrom ist, soll die rote LED ihn anzeigen. Und tatsächlich, die grüne LED leuchtet sehr hell, die rote nur ganz schwach.

Abb. 3.5: Geringer Basisstrom

Abb. 3.6: Anzeige des Basisstroms
Der Basiswiderstand ist 150-mal größer als der Kollektorwiderstand. Deshalb ist auch der Basisstrom ungefähr 150-mal kleiner als der Kollektorstrom. Da muss der Transistor den Basisstrom mindestens 150-fach verstärken können. Aber ist er dann noch in der Lage, so gut wie ein Draht oder ein Schalter zu leiten? Das verrät ein Test mit der zusätzlichen Verbindung zum Minuspol. Tatsächlich wird die grüne LED nicht merklich heller.
Eine Messung zeigt eine Kollektor-Emitter-Spannung von 0,11 V. Das bedeutet, dass der Transistor auch bei diesem sehr Basisstrom noch fast perfekt einschaltet.
Eine Alarmanlage verwendet meist einen Kontakt oder einen dünnen Draht, den ein Einbrecher versehentlich durchtrennt. Dadurch wird der Alarm ausgelöst. Wenn der Einbrecher den Draht entdecken sollte und ihn durchschneidet um die Anlage außer Betrieb zu setzen, dann passiert das gleiche, es gibt einen Alarm. In diesem Fall geht die grüne LED an.
Normalerweise würde man erwarten, dass die LED an ist, solange der Kontakt geschlossen ist. Hier ist es genau anders herum. Das ist möglich, weil der Kontakt zwischen Basis und Emitter des Transistors liegt und die Basisspannung kurzschließt. Deshalb fließt kein Basisstrom und der Transistor bleibt gesperrt.
„Kurzschluss“ hört sich gefährlich an, aber in diesem Fall besteht keine Gefahr, weil der Strom durch den Basiswiderstand begrenzt wird. Man sieht auch ein schwaches Leuchten der roten LED. Wenn der Kontakt geöffnet und geschlossen wird, ist kaum ein Unterscheid zu bemerken. Nur die rote LED reagiert. Bei offenem Kontakt leuchtet sie mit voller Helligkeit und zeigt den Alarm an.
Man kann den Jumper als Kontaktbrücke verwenden und mit einem Faden versehen. Der Faden wird dann an einer Tür oder an einem Fenster befestigt. Beim Öffnen soll der Faden den Jumper abziehen, sodass der Alarm losgeht.

Abb. 3.7: Kurzschluss der Basisspannung

Abb. 3.8: Geöffnete Stromschleife
Messen
Wie groß ist der Basisstrom im geschlossenen und im geöffneten Zustand? Man
kann schon vermuten, dass der Unterschied gering ist, weil der Spannungsabfall
am 330-kΩ-Widerstand bei geöffnetem Kontakt nur um die
Basis-Emitter-Spannung von 0,6 V kleiner wird. Eine Messung der Spannung an
diesem Widerstand zeigt 7,7 V (geschlossen) und 6,8 V (geöffnet). Die gemessene
Differenz ist mit 0,9 V größer als erwartet, weil sich durch die Belastung mit
dem LED-Strom auch die Betriebsspannung etwas ändert. Das zeigt auch eine
direkte Messung zwischen Plus und Minus.
Aus den gemessenen Spannungen errechnet man einen Strom von 23 µA oder 21 µA. Um den Strom direkt zu messen, kann man den Jumper der roten LED nach Plus öffnen und dort das Strommessgerät einfügen.
Mit einem Kontakt kann man gleich zwei Transistoren einschalten. Am Emitterwiderstand des ersten Transistors entsteht im eingeschalteten Zustand ein Spannungsabfall, der den zweiten Transistor einschaltet. Und es gibt in dieser Schaltung noch einen zweiten Kontakt, der das Gegenteil bewirkt: Er schaltet beide Transistoren ab. Das ganze kann als Alarmanlage verwendet werden, wobei der obere Kontakt die Anlage scharf schaltet und der untere den Alarmkontakt bildet.

Abb. 3.9: Direkt gekoppelte Transistoren

Abb. 3.10: Ein- und Ausschalten beider LEDs
Eine Messung zeigt 0,7 V an der Basis des rechten Transistors und 1,4 V an der Basis des linken Transistors, jeweils gemessen gegen den Minuspol. Beide Transistoren sind voll durchgesteuert und haben eine Kollektor-Emitterspannung von 0,03 V (links) und 0,02 V (rechts). Der rechte Transistor ist also etwas stärker durchgesteuert, weil er wesentlich mehr Basisstrom erhält.
Bei einer Alarmanlage kommt es darauf an, dass sie den Alarm sehr deutlich anzeigt und dass die Batterie möglichst lange hält. Diese Schaltung leistet beides. Durch den großen Basiswiderstand von 330 kΩ wird nur ein sehr kleiner Ruhestrom von rund 20 µA gebraucht. Und dieser kleine Strom fließt auch durch die grüne LED, die dauernd schwach leuchtet. Damit hat man zusätzlich eine Bereitschaftsanzeige. Aber wenn die Drahtbrücke entfernt wird, reicht der Strom für eine große Aussteuerung des linken Transistors aus, der dann gleichzeitig auch den rechten Transistor einschaltet. Im Alarmfall leuchten also beide LEDs hell auf.

Abb. 3.11: Die verbesserte Alarmanlage

Abb. 3.12: Aufbau mit Basiswiderstand 330 kΩ
Home Labor Bastelecke Elektronik-Experimente