SDR mit USB, Antennen und Vorverstärker
Langdrahtantennen
Das Software Defined Radio hat bei vielen das Interesse an der
Kurzwellen-Empfangstechnik neu geweckt. Aber wer einige Jahre
HF-abstinent gelebt hat und jetzt wieder neu anfängt, stolpert oft
erst einmal über den inzwischen stark angewachsenen
Störnebel. Da muss man sich Gedanken über die passende
Antenne machen.
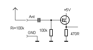
Prinzip der Eingangsstufe
Der FET am Eingang wirkt als Impedanzwandler ohne Spannungsverstärkung. Der
Eingang des Empfängers ist mit ca. 100 k sehr hochohmig, ganz
anders als die sonst oft verwendeten 50-Ohm-Eingänge. Damit
eignet sich der Empfänger auch für relativ kurze Antennen.
Ein erster Versuch gelingt bereits mit einem im Zimmer
aufgehängten Draht von 3 m Länge. Wie gut das funktioniert,
hängt von der Höhe über dem Boden und von der Art der
Wände ab. Allerdings fängt man alle Störungen mit ein,
die von technischen Geräten im Haus ausgehen.

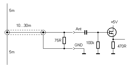
Innenantenne im zweiten Stockwerk
Mein Empfänger steht im zweiten Stock eines Mehrfamilienhauses.
Die Innenantenne funktioniert einigermaßen, bringt aber nicht den
gewünschten Störabstand. Deshalb habe ich eine
Außenantenne gebaut. Leider liegt der Garten genau auf der
falschen Seite, sodass das Antennenkabel 10 m durch die Wohnung
führt. Ich wollte ein dickes Koaxkabel vermeiden und habe
stattdessen einen einzelnen dünnen Spulendraht unauffällig
durch die Wohnung geführt. Die Antenne selbst bestand zuerst auch
aus Spulendraht, der aber durch Sturm oft beschädigt wurde. Jetzt
ist es eine dünne 10 m lange isolierte Litze. Das Ende ist
isoliert im Garten abgespannt. Tatsächlich weist die Antenne
schräg nach unten und ist am Ende in 2 m Höhe abgespannt.
Einfache Außenantenne
Die Außenantenne hat noch einen großen Nachteil. Da
praktisch die Hälfte im Gebäude abgespannt ist, werden noch
relativ viele Störungen eingefangen. In der Praxis überwiegt
aber der außen eingefangene Anteil der Nutzspannung. Deshalb
werden AM- und DRM-Stationen meist mit guten Störabstand
empfangen.
Wichtig ist eine gute Erdleitung. Im Normalfall ist der
Empfänger über den PC und den Schutzleiter der Steckdose
geerdet. Leider kann der Schutzleiter selbst Störpegel haben, die
durch Geräte im Haus verursacht werden. Meist reicht er aber als
Erdleitung aus.
Vorsicht bei Laptops! Die Netzteile sind im Normalfall nicht geerdet
und reichen erhebliche Störspannungen auf die Masseleitung weiter.
In diesem Fall stützt sich die Antenne gegen eine
HF-mäßig verseuchte Masse ab. Am Empfängereingang
erscheint nur Rauschen. Es kann aber helfen, den Empfänger an der
GND-Buchse gegen den Schutzleiter oder ein Wasserrohr zu erden.
Koaxkabel
Werner Girlich berichtete mir von seinen Erfahrungen in einem
HF-mäßig stark belasteten Haus. Als Störquellen
erwiesen u.a. zahlreiche elektronische Halogentrafos, die leider eine
Wechselspannung hoher Frequenz gnadenlos auf die abgespannten
Freileitungen legen. Er brauchte deshalb eine Antenne, die im Dachboden
ausgespannt werden sollte. Durch das Haus führt ein 20 m langes
Koaxkabel nach oben.
Noch nicht optimal
Im ersten Versuch wurde oben einfach ein 5 m langer Draht an den
Innenleiter angeschlossen. Das Ergebnis war aber nicht optimal, weil
weiterhin starke Störungen aus dem Haus aufgenommen wurden. Es
machte keinen Unterschied, ob unten die Abschirmung an den
GND-Anschluss gelegt wurde oder nicht. Der Grund sind Mantelwellen, die
sich ausbilden, wenn die Antenne unsymmetrisch ist. Die Abschirmung
wirkt dann selbst als Antenne.
Besser: Ein Dipol
Dis Lösung war ein zweiter Draht, der oben an der Abschirmung
angeschlossen wurde. Das ganze ist dann ein Dipol. Optimal wäre
es, wenn beide Hälften in entgegengesetzte Richtungen ausgespannt
werden können. Aber dafür ist meist kein Platz. Dann reicht
es schon, den zweiten Draht einfach auf den Boden zu legen. Mit dieser
Anordnung konnte der Störabstand wesentlich verbessert werden.
Eine Antenne im Dachboden kann in der Empfangsleistung an eine
Außenantenne heranreichen.
Abschlusswiderstand
Mit einer guten Dipolantenne können große Signalpegel
empfangen werden. Dann kann es sinnvoll sein, das Kabel am Ende mit
seinem Wellenwiderstand von z.B. 75 Ohm abzuschließen. Der
Empfang wird dann etwas leiser, neigt aber nicht so leicht zur
Übersteuerung. An einen hochohmigen Eingang kann es dagegen zu
Resonanzen im Kabel kommen, die bei einigen Frequenzen
übergroße Signale bringen. In der Praxis muss der
Abschlusswiderstand nicht genau passen, weil auch die Antenne
nicht in Resonanz ist. Man kann einfach probieren, ob es mit einem
Widerstand besser wird. Bei einer ausgewachsenen Amateurfunkantenne
sollte der Widerstand unbedingt verwendet werden, um den Empfänger
nicht zu übersteuern. Das gilt z.B. für Halbwellendipole
für 80 m oder 40 m oder für eine W3DZZ. In anderen
Fällen kann ein starker Mittelwellen-Ortssender zu Intermodulation
führen, die sich mit dem Widerstand beseitigen lässt.
Achtung, weniger ist oft mehr. Bei seltsamen Störungen sollte man
immer wieder einmal testen, ob die Signalabschwächung um -10 dB
oder -20 dB eingeschaltet werden muss. Der Empfänger kann
nämlich am Ausgang übersteuert werden, weil er keine
automatische Verstärkungsregelung hat.
Behelfsantenne mit der Heizung
Bei mir funktioniert auch noch eine andere Antenne recht gut. Dazu habe
ich eine leitende Verbindung zum Kupferrohr der Heizung hergestellt.
Die Heizung ist unten im Keller geerdet. Weil aber der Schutzleiter der
Stromleitungen einen anderen Weg nimmt, bildet sich insgesamt eine
große Schleife, die als Antenne arbeitet. Man muss nur noch einen
relativ kleinen Kondensator einfügen, weil die Schleife auch einen
großen 50-Hz-Anteil liefert.
Mehr Empfindlichkeit
Auf den unteren Frequenzen bis etwa 15 MHz
reicht die Empfindlichkeit des Empfängers meist aus. Ein klares
Indiz dafür ist, wenn beim Anschluss der Antenne das Grundrauschen
deutlich ansteigt. Mehr Verstärkung würde dann nichts
bringen, weil man das atmosphärische Rauschen mit verstärken
würde. Besonders auf den oberen Frequenzen könnte mehr
Empfindlichkeit allerdings nicht schaden.

Abgestimmter Eingangs-Schwingkreis
Siehe auch: Universal Adapter für diverse Antennen- und Empfängereingänge von Wolfgang Hartmann (antennenfilter.pdf, 209 KB)
Weil der Empfängereingang hochohmig ist, kann direkt ein Resonanzkreis angeschlossen werden. Mit einer tiefen Antennenanzapfung
kann die Antenne optimal angepasst werden. Die Daten der Spule und des
Drehkos hängen vom gewünschten Frequenzbereich und von der
Antenne ab.

Magnetische Loop mit Vorverstärker
Als Innenantenne eignet sich eine aktive magnetische Loop, die in Elexs
genauer beschreiben wurde. Weil Störungen im Haus überwiegend
als elektrische Nahfelder auftreten, bringt eine magnetische Antenne
einen besseren Störabstand. Das gilt vor allem auch für die
tieferen Frequenzen.
