Das LED-Bäumchen   

Home   Labor   Röhren   HF   Logbuch   Bastelecke




Video: https://youtu.be/ZMpjCC92QiU

Der Frühling naht, die Bäume schlagen aus. Da wachsen zwar keine LEDs und Transistoren, sondern Knospen und Blätter, aber man findet unendlich viele große und kleine Äste, die beim letzten Sturm heruntergefallen sind. Ein verzweigtes Ästchen einer Platane habe ich mitgenommen und verwende es als Stativ und Basis für Lötstützpunkte. Auf der Suche nach einem geeigneten Standfuß bin ich auf einen Spielzeugmagneten mit Mittelloch gestoßen. Der hält nun gleichzeitig die Batterie, was für einen sicheren Stand sorgt. Und am Kühlschrank oder auf der Mikrowelle haftet das Bäumchen stabil.

Für die Lötstützpunkte verwende ich 0,6 mm dicken, verzinnten Kupferdraht. An den passenden Stellen wickle ich zwei Windungen und verdrille die Enden mit der Zange. So kann man fast beliebig viele Stützpunkte einbauen. Und wenn sich bei den Experimenten zeigt, dass noch Stützpunkte fehlen, lassen sie sich problemlos nachrüsten. Die Aufbautechnik eignet sich für alle Arten einfacher Schaltungen. Aber auch komplexe Schaltungen können so aufgebaut werden. Während man auf Platinen  zweidimensional arbeitet, hat man hier drei Dimensionen.



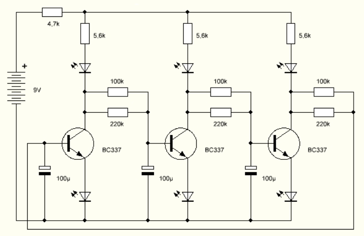
Auf der Suche nach einer geeigneten Schaltung für den ersten Testaufbau bin ich auf den Dreiphasenblinker gestoßen. Genauer habe ich mich an der Osterei-Schaltung orientiert. In den drei Emitterleitungen müssen gleiche LEDs verwendet werden, die oberen LEDs dürfen unterschiedliche Typen sein. Hier habe ich LEDs mit eingebauten Widerständen von 1 k verwendet. Die Erwartung war, dass die als Arbeitswiderstände ausreichen. Dann hat sich aber gezeigt, dass die Schaltung nicht anschwingen wollte. Deshalb musste ich noch zusätzliche Arbeitswiderstände von 6,8 k einbauen. Zusätzlich habe ich die Basiswiderstände von ursprünglich 220 k durch die Parallelschaltung mit 100k verkleinert.



Das Projekt ist eine richtige Bastelschaltung. Es wurde so lange geändert, bis alles nach Wunsch funktionierte. Weil gerade Transistoren BC337 in Reichweite lagen, habe ich diese benutzt. Sie haben allerdings eine etwas geringere Stromverstärkung als die ursprünglich im Osterei eingesetzten BC547C. Deshalb musste ich erst dies und das ändern, bis alles richtig funktioniert hat. Die Aufbautechnik hat sich dabei jedenfalls bewährt. Man kann sehr einfach Teile ändern und weitere einbauen.





Home   Labor   Röhren   HF   Logbuch   Bastelecke